产品分类
- 深沟球轴承
- 角接触球轴承
- 超高精密轴承
- 精密角接触球轴承
- 标准型
- 标准密封型-S
- 陶瓷球标准型-C
- 陶瓷球密封型-CS
- 高速小球型-HS
- 小球密封型-HSS
- 陶瓷小球型-HC
- 陶瓷小球密封型-HCS
- 超高速陶瓷球型-XC
- 超高速陶瓷球密封型-XCS
- 超高速小球型-XS
- 超高速小球密封型-XSS
- 油气润滑-标准钢球型
- 油气润滑-标准陶瓷球型
- 油气润滑-高速小球型
- 油气润滑-高速陶瓷球型
- 油气润滑-超高速小球型
- 油气润滑-超高速陶瓷球型
- 精密丝杠轴承
- 精密圆柱滚子轴承
- 调心球轴承
- 推力轴承
- 圆柱滚子轴承
- 圆锥滚子轴承
- 调心滚子轴承
- 交叉滚子轴承
- 超薄截面轴承
- 滚针轴承
- 滚轮轴承
- 关节轴承
- 直线运动
- 轴承附件
7926ETP4QU轴承
更新日期:
类型:【超高精密轴承 - 精密角接触球轴承】
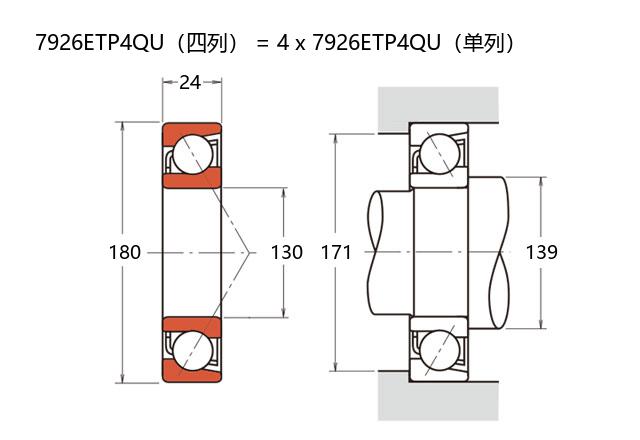
基本尺寸:内径:130 mm,外径:180 mm,厚度:96 mm。
价格区间:¥0 - ¥0【详情】
后缀列表:【E:接触角 25°】【T:聚酰胺尼龙保持架】【P4:ISO 4级精度】【QU:四列万能配对】
7926ETP4QU是一款符合超高精密等级要求的角接触球轴承,其结构形式为标准型设计,适用于需要高旋转精度和良好刚性的工作场景。该轴承的内径为130毫米,外径为180毫米,厚度为96毫米。这种尺寸规格使其在中等载荷条件下能够提供稳定的支承性能。
角接触球轴承通常可同时承受径向和轴向载荷,其接触角设计有助于提升轴向承载能力。7926ETP4QU在材料和工艺方面采用了针对精密应用的优化处理,有助于降低运转时的振动和噪声,延长使用寿命。这类轴承常见于机床主轴、电主轴或精密回转装置等设备中,能够满足较高转速下的运转要求。
在安装和使用时,需注意配合公差和润滑条件,以充分发挥其性能特点。该型号轴承的设计侧重于精度保持性与运行可靠性,在多类工业设备中具有较为广泛的应用潜力。
7
9
2
6
E
T
P
4
Q
U
7:精密角接触球轴承
9:尺寸系列:超轻 19 系列
26:内径:130 mm
E:接触角 25°
T:聚酰胺尼龙保持架
P4:ISO 4级精度
QU:四列万能配对
7:
精密角接触球轴承
9:
尺寸系列:超轻 19 系列
26:
内径:130 mm
E:
接触角 25°
T:
聚酰胺尼龙保持架
P4:
ISO 4级精度
QU:
四列万能配对
| 公称型号 | ||
| 品牌:CALOX | 标准钢球型 | 7926ETP4QU |
| 主要尺寸(mm) | ||
| 内径 | d![]() |
130 |
| 外径 | D![]() |
180 |
| 厚度(单列) | B![]() |
24 |
| 厚度(多列) | T![]() |
96 |
| 倒角尺寸 | r(min) | 1.5 |
| r1(min) | 1 | |
| 额定载荷(KN) | ||
| 基本额定动载荷 | Cr | 312 |
| 基本额定静载荷 | C0r | 344 |
| 极限载荷(KN) | ||
| 轴向-单个 | 63.5 | |
| 接触角 | ||
| 度 | °![]() |
25 |
| 系数 | ||
| fo | - | |
| 作用点(mm) | ||
| a | 48.1 | |
| 限制速度(rpm) | ||
| 脂润滑 | Grease | 6500 |
| 油润滑 | Oil | 9700 |
| 安装尺寸(mm) | ||
| 高可实测 | da(min) | 139 |
| Da(max) | 171 | |
| Db(max) | 174 | |
| ra(max) | 1.5 | |
| rb(max) | 0.8 | |
| 预紧力(N)-DU/DB/DF | ||
| 微预紧 | EL | 470 |
| 轻预紧 | L | 1008 |
| 中预紧 | M | 2126 |
| 重预紧 | H | 4280 |
| 轴承刚度(N/μm)-DU/DB/DF | ||
| 微预紧 | EL | 264 |
| 轻预紧 | L | 348 |
| 中预紧 | M | 462 |
| 重预紧 | H | 612 |
| 测量轴向游隙(μm) | ||
| 微预紧 | EL | -7 |
| 轻预紧 | L | -14 |
| 中预紧 | M | -25 |
| 重预紧 | H | -41 |
| 轴承组合 | ||
| 高可推荐 | 方式 | 万能 |
| 列数 | 4 | |
| 重量(Kg) | ||
| 6.16 | ||
| 商品 | 品牌 | 主要尺寸 | 发货仓 | 产地 | 库存 | 含税单价 | VIP价 | 操作 |




