产品分类
- 深沟球轴承
- 角接触球轴承
- 超高精密轴承
- 精密角接触球轴承
- 标准型
- 标准密封型-S
- 陶瓷球标准型-C
- 陶瓷球密封型-CS
- 高速小球型-HS
- 小球密封型-HSS
- 陶瓷小球型-HC
- 陶瓷小球密封型-HCS
- 超高速陶瓷球型-XC
- 超高速陶瓷球密封型-XCS
- 超高速小球型-XS
- 超高速小球密封型-XSS
- 油气润滑-标准钢球型
- 油气润滑-标准陶瓷球型
- 油气润滑-高速小球型
- 油气润滑-高速陶瓷球型
- 油气润滑-超高速小球型
- 油气润滑-超高速陶瓷球型
- 精密丝杠轴承
- 精密圆柱滚子轴承
- 调心球轴承
- 推力轴承
- 圆柱滚子轴承
- 圆锥滚子轴承
- 调心滚子轴承
- 交叉滚子轴承
- 超薄截面轴承
- 滚针轴承
- 滚轮轴承
- 关节轴承
- 直线运动
- 轴承附件
7020ATP4DB轴承
更新日期:
类型:【超高精密轴承 - 精密角接触球轴承】
基本尺寸:内径:100 mm,外径:150 mm,厚度:48 mm。
价格区间:¥2397.36 - ¥3092.59【详情】
后缀列表:【A:30° 接触角】【T:尼龙保持架】【P4:ISO 4级精度】【DB:双列背靠背(<>)配对】
7020ATP4DB是一款标准型精密角接触球轴承,属于超高精密轴承类别。其基本尺寸为内径100毫米、外径150毫米、厚度48毫米,结构设计兼顾了紧凑性与高承载能力。该轴承采用接触角设计,能够同时承受径向和轴向载荷,特别适用于需要高刚性与精确旋转精度的场合。
在制造工艺上,该型号通常选用优质钢材,并经过严格的热处理工艺,以提升材料的耐磨性与疲劳寿命。保持架设计优化了润滑剂的分布,有助于降低运转时的温升与噪声水平。此类轴承常见于精密机床主轴、高速电主轴以及测量仪器等设备中,能够满足中等转速与较高精度要求的工作环境。
选用时需综合考虑负载条件、转速范围及预紧力调整等因素,确保其性能得到有效发挥。正确的安装与润滑维护对保持轴承的长期稳定性具有重要作用。该型号轴承的设计平衡了精度需求与实用性能,在工业应用中展现出良好的适应性。
7
0
2
0
A
T
P
4
D
B
7:精密角接触球轴承
0:尺寸系列:超轻 10 系列
20:内径:100 mm
A:30° 接触角
T:尼龙保持架
P4:ISO 4级精度
DB:双列背靠背(<>)配对
7:
精密角接触球轴承
0:
尺寸系列:超轻 10 系列
20:
内径:100 mm
A:
30° 接触角
T:
尼龙保持架
P4:
ISO 4级精度
DB:
双列背靠背(<>)配对
| 公称型号 | ||
| 品牌:CALOX | 标准钢球型 | 7020ATP4DB |
| 主要尺寸(mm) | ||
| 内径 | d![]() |
100 |
| 外径 | D![]() |
150 |
| 厚度(单列) | B![]() |
24 |
| 厚度(多列) | T![]() |
48 |
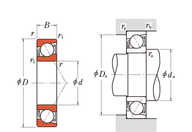
| 倒角尺寸 | r(min) | 1.5 |
| r1(min) | 1 | |
| 额定载荷(KN) | ||
| 基本额定动载荷 | Cr | 144 |
| 基本额定静载荷 | C0r | 141 |
| 极限载荷(KN) | ||
| 轴向-单个 | 44.5 | |
| 接触角 | ||
| 度 | °![]() |
30 |
| 系数 | ||
| fo | - | |
| 作用点(mm) | ||
| a | 48.1 | |
| 限制速度(rpm) | ||
| 脂润滑 | Grease | 6000 |
| 油润滑 | Oil | 8000 |
| 安装尺寸(mm) | ||
| 高可实测 | da(min) | 109 |
| Da(max) | 141 | |
| Db(max) | 144 | |
| ra(max) | 1.5 | |
| rb(max) | 0.8 | |
| 预紧力(N)-DU/DB/DF | ||
| 微预紧 | EL | 98 |
| 轻预紧 | L | 840 |
| 中预紧 | M | 2701 |
| 重预紧 | H | 4338 |
| 轴承刚度(N/μm)-DU/DB/DF | ||
| 微预紧 | EL | 188 |
| 轻预紧 | L | 388 |
| 中预紧 | M | 595 |
| 重预紧 | H | 713 |
| 测量轴向游隙(μm) | ||
| 微预紧 | EL | 0 |
| 轻预紧 | L | -10 |
| 中预紧 | M | -25 |
| 重预紧 | H | -35 |
| 轴承组合 | ||
| 高可推荐 | 方式 | <> |
| 列数 | 2 | |
| 重量(Kg) | ||
| 2.56 | ||
点击获取3D图
下载中 {{percentComplete}}%
| 商品 | 品牌 | 主要尺寸 | 发货仓 | 产地 | 库存 | 含税单价 | VIP价 | 操作 |
| NSK 7020ATYNDBLP5轴承 标准型精密角接触球轴承 |
NSK | 100 X 150 X 48 | 华东 | 日本 | 1 | 2637.1 | ¥2397.36 | |
| NSK 7020ATYNDBLP5轴承 标准型精密角接触球轴承 |
NSK | 100 X 150 X 48 | 华东 | 日本 | 1 | 3092.59 | ¥2397.36 |




