产品分类
- 深沟球轴承
- 角接触球轴承
- 超高精密轴承
- 精密角接触球轴承
- 标准型
- 标准密封型-S
- 陶瓷球标准型-C
- 陶瓷球密封型-CS
- 高速小球型-HS
- 小球密封型-HSS
- 陶瓷小球型-HC
- 陶瓷小球密封型-HCS
- 超高速陶瓷球型-XC
- 超高速陶瓷球密封型-XCS
- 超高速小球型-XS
- 超高速小球密封型-XSS
- 油气润滑-标准钢球型
- 油气润滑-标准陶瓷球型
- 油气润滑-高速小球型
- 油气润滑-高速陶瓷球型
- 油气润滑-超高速小球型
- 油气润滑-超高速陶瓷球型
- 精密丝杠轴承
- 精密圆柱滚子轴承
- 调心球轴承
- 推力轴承
- 圆柱滚子轴承
- 圆锥滚子轴承
- 调心滚子轴承
- 交叉滚子轴承
- 超薄截面轴承
- 滚针轴承
- 滚轮轴承
- 关节轴承
- 直线运动
- 轴承附件
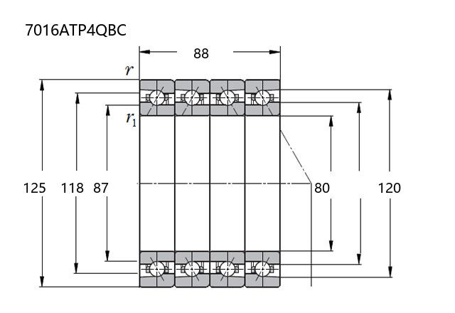
7016ATP4QBC轴承
更新日期:
类型:【超高精密轴承 - 精密角接触球轴承】
基本尺寸:内径:80 mm,外径:125 mm,厚度:88 mm。
价格区间:¥0 - ¥0【详情】
后缀列表:【A:30° 接触角】【T:尼龙保持架】【P4:ISO 4级精度】【QBC:四列串联背靠背串联(<<>>)配对】
7016ATP4QBC是一款精密角接触球轴承,属于超高精密轴承类别中的标准型设计。该轴承的基本尺寸为内径80毫米、外径125毫米、厚度88毫米,结构紧凑且具备较高的刚性。
此类轴承采用接触角设计,能够同时承受径向和轴向载荷,适用于高速运转条件。其内部结构经过优化,有助于减小摩擦和温升,从而提升运转平稳性。制造过程中采用了高精度加工与材料处理技术,以确保尺寸稳定性和耐久性。
该型号轴承常见于需要精密定位和高速性能的装备中,例如精密机床主轴、电主轴以及高转速传动系统。在使用时需注意配合适当的预紧力和润滑方式,以充分发挥其性能特点。通过合理的安装与维护,可有效延长轴承使用寿命,满足多种工业应用的需求。
7
0
1
6
A
T
P
4
Q
B
C
7:精密角接触球轴承
0:尺寸系列:超轻 10 系列
16:内径:80 mm
A:30° 接触角
T:尼龙保持架
P4:ISO 4级精度
QBC:四列串联背靠背串联(<<>>)配对
7:
精密角接触球轴承
0:
尺寸系列:超轻 10 系列
16:
内径:80 mm
A:
30° 接触角
T:
尼龙保持架
P4:
ISO 4级精度
QBC:
四列串联背靠背串联(<<>>)配对
| 公称型号 | ||
| 品牌:CALOX | 标准钢球型 | 7016ATP4QBC |
| 主要尺寸(mm) | ||
| 内径 | d![]() |
80 |
| 外径 | D![]() |
125 |
| 厚度(单列) | B![]() |
22 |
| 厚度(多列) | T![]() |
88 |
| 倒角尺寸 | r(min) | 1.1 |
| r1(min) | 0.6 | |
| 额定载荷(KN) | ||
| 基本额定动载荷 | Cr | 224 |
| 基本额定静载荷 | C0r | 202 |
| 极限载荷(KN) | ||
| 轴向-单个 | 31.5 | |
| 接触角 | ||
| 度 | °![]() |
30 |
| 系数 | ||
| fo | - | |
| 作用点(mm) | ||
| a | 40.6 | |
| 限制速度(rpm) | ||
| 脂润滑 | Grease | 7400 |
| 油润滑 | Oil | 9800 |
| 安装尺寸(mm) | ||
| 高可实测 | da(min) | 87 |
| Da(max) | 118 | |
| Db(max) | 120 | |
| ra(max) | 1 | |
| rb(max) | 0.6 | |
| 预紧力(N)-DU/DB/DF | ||
| 微预紧 | EL | 98 |
| 轻预紧 | L | 752 |
| 中预紧 | M | 1762 |
| 重预紧 | H | 3060 |
| 轴承刚度(N/μm)-DU/DB/DF | ||
| 微预紧 | EL | 170 |
| 轻预紧 | L | 340 |
| 中预紧 | M | 464 |
| 重预紧 | H | 573 |
| 测量轴向游隙(μm) | ||
| 微预紧 | EL | 0 |
| 轻预紧 | L | -10 |
| 中预紧 | M | -20 |
| 重预紧 | H | -30 |
| 轴承组合 | ||
| 高可推荐 | 方式 | <<>> |
| 列数 | 4 | |
| 重量(Kg) | ||
| 3.456 | ||
| 商品 | 品牌 | 主要尺寸 | 发货仓 | 产地 | 库存 | 含税单价 | VIP价 | 操作 |




