产品分类
- 深沟球轴承
- 角接触球轴承
- 超高精密轴承
- 精密角接触球轴承
- 标准型
- 标准密封型-S
- 陶瓷球标准型-C
- 陶瓷球密封型-CS
- 高速小球型-HS
- 小球密封型-HSS
- 陶瓷小球型-HC
- 陶瓷小球密封型-HCS
- 超高速陶瓷球型-XC
- 超高速陶瓷球密封型-XCS
- 超高速小球型-XS
- 超高速小球密封型-XSS
- 油气润滑-标准钢球型
- 油气润滑-标准陶瓷球型
- 油气润滑-高速小球型
- 油气润滑-高速陶瓷球型
- 油气润滑-超高速小球型
- 油气润滑-超高速陶瓷球型
- 精密丝杠轴承
- 精密圆柱滚子轴承
- 调心球轴承
- 推力轴承
- 圆柱滚子轴承
- 圆锥滚子轴承
- 调心滚子轴承
- 交叉滚子轴承
- 超薄截面轴承
- 滚针轴承
- 滚轮轴承
- 关节轴承
- 直线运动
- 轴承附件

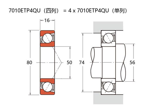
7010ETP4QU轴承
类型:【超高精密轴承 - 精密角接触球轴承】
基本尺寸:内径:50 mm,外径:80 mm,厚度:64 mm。
价格区间:¥5119.77 - ¥6502.11【详情】
后缀列表:【E:25° 接触角】【T:聚酰胺尼龙保持架】【P4:P4 级精度】【QU:四个万能组合】
7
0
1
0
E
T
P
4
Q
U
7:精密角接触球轴承
0:尺寸系列:超轻 10 系列
10:内径:50 mm
E:25° 接触角
T:聚酰胺尼龙保持架
P4:P4 级精度
QU:四个万能组合
7:
精密角接触球轴承
0:
尺寸系列:超轻 10 系列
10:
内径:50 mm
E:
25° 接触角
T:
聚酰胺尼龙保持架
P4:
P4 级精度
QU:
四个万能组合
公称型号 | ||
标准钢球型 | 7010ETP4QU | |
主要尺寸(mm) | ||
内径 | d | 50 |
外径 | D | 80 |
厚度(单列) | B | 16 |
厚度(多列) | T | 64 |
倒角尺寸 | r(min) | 1 |
倒角尺寸 | r1(min) | 0.6 |
额定载荷(KN) | ||
基本额定动载荷 | Cr | 103.2 |
基本额定静载荷 | C0r | 83.2 |
极限载荷(KN) | ||
轴向-单个 | 16.2 | |
接触角 | ||
度 | ° | 25 |
系数 | ||
fo | - | |
作用点(mm) | ||
a | 23.2 | |
限制速度(rpm) | ||
脂润滑 | Grease | 15400 |
油润滑 | Oil | 23100 |
安装尺寸(mm) | ||
da(min) | 56 | |
Da(max) | 74 | |
Db(max) | 75 | |
ra(max) | 1 | |
rb(max) | 0.5 | |
预紧力(N)-DU/DB/DF | ||
微预紧 | EL | 125 |
轻预紧 | L | 262 |
中预紧 | M | 580 |
重预紧 | H | 1189 |
轴承刚度(N/μm)-DU/DB/DF | ||
微预紧 | EL | 118 |
轻预紧 | L | 154 |
中预紧 | M | 208 |
重预紧 | H | 278 |
测量轴向游隙(μm) | ||
微预紧 | EL | -3 |
轻预紧 | L | -7 |
中预紧 | M | -14 |
重预紧 | H | -24 |
轴承组合 | ||
方式 | 万能 | |
列数 | 4 | |
重量(Kg) | ||
1.08 |

商品 | 品牌 | 主要尺寸 | 发货仓 | 产地 | 库存 | 含税单价 | VIP价 | 操作 |
FAG B7010-E-T-P4S-QUM轴承 超精密角接触球轴承 |
FAG | 50 X 80 X 64 | 海外 | 5 | 6502.11 | ¥5119.77 | ||