产品分类

AC7210CSN轴承
类型:【角接触球轴承 - 角接触球轴承】
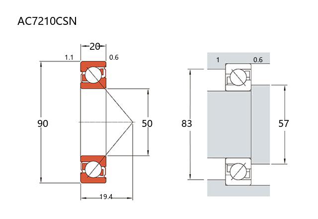
基本尺寸:内径:50 mm,外径:90 mm,厚度:20 mm。
价格区间:¥0 - ¥0【详情】
前缀列表:【AC:全陶瓷材质】后缀列表:【C:接触角 15°】【SN:氮化硅(Si3N4)材质】
AC7210CSN是一款采用氮化硅陶瓷材料制造的角接触球轴承,其基本尺寸为内径50毫米、外径90毫米、厚度20毫米。该型号属于AC7000系列的全陶瓷型产品,其内外圈及滚动体均由氮化硅制成。
氮化硅材料赋予了轴承一系列优良特性。其密度低于钢制轴承,有助于降低高速运转时的离心力,从而减小摩擦生热。该材料具有较低的线性膨胀系数,使轴承在温度变化较大的工况下能保持较好的尺寸稳定性。同时,氮化硅展现出良好的耐腐蚀性能,能够适应一些存在化学腐蚀性介质的环境。在电气应用场合,其绝缘特性也显示出一定优势。
此类全陶瓷轴承通常适用于对高速、低温升或耐腐蚀有较高要求的领域,例如在高转速主轴、特定的化工泵或一些特殊传动装置中可能得到应用。需要注意的是,陶瓷材料的抗冲击韧性通常不如高强度钢,因此在存在剧烈冲击载荷的工况下,其适用性需结合具体运行条件进行审慎评估。
A
C
7
2
1
0
C
S
N
AC:全陶瓷材质
7:角接触球轴承
2:尺寸系列:轻窄 02 系列
10:内径:50 mm
C:接触角 15°
SN:氮化硅(Si3N4)材质
AC:
全陶瓷材质
7:
角接触球轴承
2:
尺寸系列:轻窄 02 系列
10:
内径:50 mm
C:
接触角 15°
SN:
氮化硅(Si3N4)材质
公称型号 | ||
全陶瓷型 | AC7210CSN | |
主要尺寸(mm) | ||
内径 | d | 50 |
外径 | D | 90 |
厚度 | B | 20 |
r(min) | 1.1 | |
r1(min) | 0.6 | |
接触角 | ||
α(度) | 15° | |
额定载荷(KN) | ||
基本额定动载荷 | Cr | 37.5 |
基本额定静载荷 | Cor | 28.6 |
系数 | ||
f0 | 14.5 | |
限制速度(rpm) | ||
脂润滑 | 4500 | |
油润滑 | 6300 | |
载荷中心(mm) | ||
a(单列) | 19.4 | |
安装尺寸(mm) | ||
da(min) | 57 | |
Da(max) | 83 | |
ra(max) | 1 | |
db(min) | 55 | |
Db(max) | 85 | |
rb(max) | 0.6 | |
材质 | ||
套圈 | Si3N4 | |
滚动体 | Si3N4 | |
保持架 | PEEK/PTFE/PA66 | |
重量(kg) | ||
单列 | 0.19 |

商品 | 品牌 | 主要尺寸 | 发货仓 | 产地 | 库存 | 含税单价 | VIP价 | 操作 |