产品分类
P7910AC轴承
更新日期:
类型:【角接触球轴承 - 角接触球轴承】
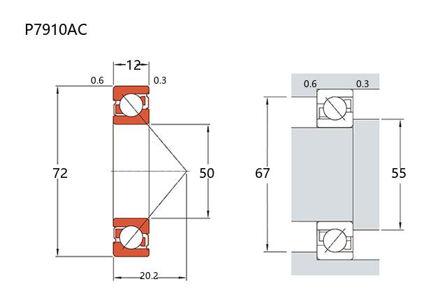
基本尺寸:内径:50 mm,外径:72 mm,厚度:12 mm。
价格区间:¥0 - ¥0【详情】
前缀列表:【P:工程塑料材质】后缀列表:【AC:25° 接触角】
P7910AC属于P7000系列塑料型角接触球轴承。该轴承的内径为50毫米,外径为72毫米,厚度为12毫米。这类轴承的结构特点在于其内外圈及保持架通常采用高性能工程塑料制造,例如PEEK或类似材料,使其在某些特定应用环境中具备一定优势。
由于采用了非金属材料,P7910AC轴承在运行过程中表现出较轻的重量和较低的惯性。在面对腐蚀性介质或需要绝缘的工况时,此类轴承能提供较好的耐受性。其角接触的设计使它能够承受径向和轴向的联合载荷,尤其适用于承受某一方向的轴向负荷。
在应用层面,P7910AC轴承常见于对重量、耐腐蚀或电绝缘有要求的场合,例如一些医疗设备、小型精密仪器或特定的化工机械部件中。选择时需结合实际的负载、转速及环境条件进行综合评估,并参考制造商的技术手册以确认其适用性。
P
7
9
1
0
A
C
P:工程塑料材质
7:角接触球轴承
9:尺寸系列:超轻 19 系列
10:内径:50 mm
AC:25° 接触角
P:
工程塑料材质
7:
角接触球轴承
9:
尺寸系列:超轻 19 系列
10:
内径:50 mm
AC:
25° 接触角
| 公称型号 | ||
| 品牌:CALOX | 塑料型 | P7910AC |
| 主要尺寸(mm) | ||
| 内径 | d | 50 |
| 外径 | D | 72 |
| 厚度 | B![]() |
12 |
| 高可实测 | r(min) | 0.6 |
| r1(min) | 0.3 | |
| 接触角 | ||
α(度)![]() |
25° | |
| 额定载荷(KN) | ||
| 基本额定动载荷 | Cr | |
| 基本额定静载荷 | Cor | |
| 系数 | ||
| f0 | — | |
| 限制速度(rpm) | ||
| 高可计算 | 脂润滑 | |
| 油润滑 | ||
| 载荷中心(mm) | ||
| a(单列) | 20.2 | |
| 安装尺寸(mm) | ||
| 高可实测 | da(min) | 55 |
| Da(max) | 67 | |
| ra(max) | 0.6 | |
| db(min) | — | |
| Db(max) | 69.5 | |
| rb(max) | 0.3 | |
| 材质 | Plastic | |
| 重量(kg) | ||
| 单列 | 0.0242 | |
| 商品 | 品牌 | 主要尺寸 | 发货仓 | 产地 | 库存 | 含税单价 | VIP价 | 操作 |

.jpg)