产品分类

P7818AC轴承
类型:【角接触球轴承 - 角接触球轴承】
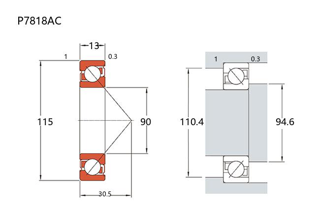
基本尺寸:内径:90 mm,外径:115 mm,厚度:13 mm。
价格区间:¥0 - ¥0【详情】
前缀列表:【P:工程塑料材质】后缀列表:【AC:25° 接触角】
P7818AC型轴承属于角接触球轴承类别中的P7000塑料型系列。该轴承的基本设计尺寸为内径90毫米,外径115毫米,厚度13毫米。这类轴承的结构特点在于其保持架通常采用工程塑料材质,这种设计有助于在特定工况下减少摩擦并降低运转噪音。
角接触球轴承能够同时承受径向载荷和轴向载荷,其接触角的设计对轴承的载荷能力有直接影响。P7818AC轴承适用于要求结构紧凑、重量较轻的支撑部位,常见于一些中速旋转的机械装置中。由于采用了非金属保持架,在润滑条件适当的情况下,能表现出良好的运行性能。
在实际应用中,该型号轴承的性能表现会受到安装精度、工作环境以及润滑状况等多种因素的影响。用户在选型时需结合具体的载荷、转速和技术要求进行综合评估,以确保其满足设备的使用需求。轴承的维护与正确的安装方法对其使用寿命至关重要。
P
7
8
1
8
A
C
P:工程塑料材质
7:角接触球轴承
8:尺寸系列:超轻 18 系列
18:内径:90 mm
AC:25° 接触角
P:
工程塑料材质
7:
角接触球轴承
8:
尺寸系列:超轻 18 系列
18:
内径:90 mm
AC:
25° 接触角
公称型号 | ||
塑料型 | P7818AC | |
主要尺寸(mm) | ||
内径 | d | 90 |
外径 | D | 115 |
厚度 | B | 13 |
r(min) | 1 | |
r1(min) | 0.3 | |
接触角 | ||
α(度) | 25° | |
额定载荷(KN) | ||
基本额定动载荷 | Cr | |
基本额定静载荷 | Cor | |
系数 | ||
f0 | ||
限制速度(rpm) | ||
脂润滑 | ||
油润滑 | ||
载荷中心(mm) | ||
a(单列) | 30.5 | |
安装尺寸(mm) | ||
da(min) | 94.6 | |
Da(max) | 110.4 | |
ra(max) | 1 | |
db(min) | 113 | |
Db(max) | ||
rb(max) | 0.3 | |
材质 | Plastic | |
重量(kg) | ||
单列 | 5.022 |

商品 | 品牌 | 主要尺寸 | 发货仓 | 产地 | 库存 | 含税单价 | VIP价 | 操作 |