产品分类
P7302A轴承
更新日期:
类型:【角接触球轴承 - 角接触球轴承】
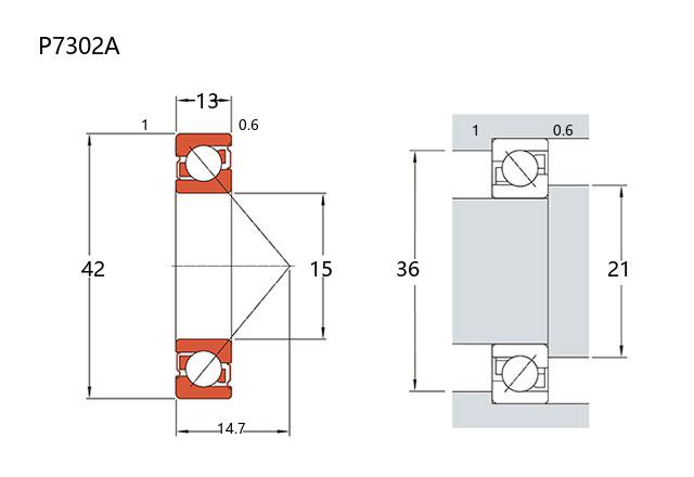
基本尺寸:内径:15 mm,外径:42 mm,厚度:13 mm。
价格区间:¥0 - ¥0【详情】
前缀列表:【P:工程塑料材质】后缀列表:【A:30° 接触角】
P7302A是一款采用工程塑料保持架的角接触球轴承,其基本尺寸为内径15mm、外径42mm、厚度13mm。该轴承属于P7000系列,其结构设计使其能够同时承受径向负荷和轴向负荷。
此类轴承通常采用两侧不等高的不对称滚道设计,能够形成特定的接触角,因此在需要承受联合负荷或纯轴向负荷的场合中具有应用价值。与采用金属保持架的同类轴承相比,工程塑料保持架有助于降低运转时的摩擦和噪音,同时具备一定的自润滑性能,在高速运转条件下可能表现出良好的适应性。
P7302A轴承常见于一些对运转平稳性、轻量化以及耐腐蚀性有较高要求的应用环境中。例如,在一些精密传动系统或小型电机中可能会选用此类轴承。其材料特性使其在潮湿或某些存在化学介质的工况下,相比常规金属保持架轴承可能具有更长的使用寿命。
需要说明的是,轴承的实际性能表现与安装、润滑条件及具体工况密切相关。在选用时,建议结合详细的负载、转速和环境条件进行综合评估。
P
7
3
0
2
A
P:工程塑料材质
7:角接触球轴承
3:尺寸系列:中窄 03 系列
02:内径:15 mm
A:30° 接触角
P:
工程塑料材质
7:
角接触球轴承
3:
尺寸系列:中窄 03 系列
02:
内径:15 mm
A:
30° 接触角
| 公称型号 | ||
| 品牌:CALOX | 塑料型 | P7302A |
| 主要尺寸(mm) | ||
| 内径 | d | 15 |
| 外径 | D | 42 |
| 厚度 | B![]() |
13 |
| 高可实测 | r(min) | 1 |
| r1(min) | 0.6 | |
| 接触角 | ||
α(度)![]() |
30° | |
| 额定载荷(KN) | ||
| 基本额定动载荷 | Cr | |
| 基本额定静载荷 | Cor | |
| 系数 | ||
| f0 | — | |
| 限制速度(rpm) | ||
| 高可计算 | 脂润滑 | |
| 油润滑 | ||
| 载荷中心(mm) | ||
| a(单列) | 14.7 | |
| 安装尺寸(mm) | ||
| 高可实测 | da(min) | 21 |
| Da(max) | 36 | |
| ra(max) | 1 | |
| db(min) | 20 | |
| Db(max) | 37 | |
| rb(max) | 0.6 | |
| 材质 | Plastic | |
| 重量(kg) | ||
| 单列 | 0.0149 | |
| 商品 | 品牌 | 主要尺寸 | 发货仓 | 产地 | 库存 | 含税单价 | VIP价 | 操作 |

.jpg)