产品分类

P7205C轴承
类型:【角接触球轴承 - 角接触球轴承】
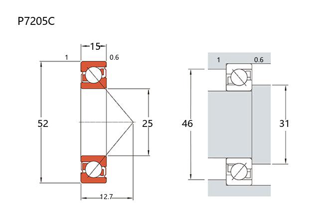
基本尺寸:内径:25 mm,外径:52 mm,厚度:15 mm。
价格区间:¥0 - ¥0【详情】
前缀列表:【P:工程塑料材质】后缀列表:【C:接触角 15°】
P7205C型轴承属于角接触球轴承系列中的P7000塑料型产品。其基本尺寸为内径25毫米、外径52毫米、厚度15毫米,约合英制尺寸内径0.9843英寸、外径2.0472英寸、厚度0.5906英寸。该轴承的显著特征在于其关键部件采用工程塑料制造,这种材质选择有助于实现轻量化设计,并在某些特定工况下表现出耐腐蚀的特性。
作为角接触球轴承,该型号能够同时承受径向载荷和轴向载荷,其接触角设计使得它更适合处理复合方向的受力情况。相比传统金属轴承,塑料型结构在非极端负载、中低速运转或对减重、电绝缘有需求的场合中可能具备一定适用性。常见应用领域包括小型传动装置、仪器仪表、办公设备及一些对噪音控制要求较高的轻工机械设备。
需要注意的是,工程塑料的性能受工作温度、持续负载及环境介质的影响较为明显,因此在实际选型时需结合具体的转速、负载类型及环境条件进行综合评估,以确保其性能与使用寿命符合预期。
P
7
2
0
5
C
P:工程塑料材质
7:角接触球轴承
2:尺寸系列:轻窄 02 系列
05:内径:25 mm
C:接触角 15°
P:
工程塑料材质
7:
角接触球轴承
2:
尺寸系列:轻窄 02 系列
05:
内径:25 mm
C:
接触角 15°
公称型号 | ||
塑料型 | P7205C | |
主要尺寸(mm) | ||
内径 | d | 25 |
外径 | D | 52 |
厚度 | B | 15 |
r(min) | 1 | |
r1(min) | 0.6 | |
接触角 | ||
α(度) | 15° | |
额定载荷(KN) | ||
基本额定动载荷 | Cr | |
基本额定静载荷 | Cor | |
系数 | ||
f0 | 14 | |
限制速度(rpm) | ||
脂润滑 | ||
油润滑 | ||
载荷中心(mm) | ||
a(单列) | 12.7 | |
安装尺寸(mm) | ||
da(min) | 31 | |
Da(max) | 46 | |
ra(max) | 1 | |
db(min) | 30 | |
Db(max) | 47 | |
rb(max) | 0.6 | |
材质 | Plastic | |
重量(kg) | ||
单列 | 0.0232 |

商品 | 品牌 | 主要尺寸 | 发货仓 | 产地 | 库存 | 含税单价 | VIP价 | 操作 |