产品分类

P7015C轴承
类型:【角接触球轴承 - 角接触球轴承】
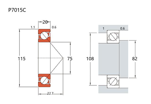
基本尺寸:内径:75 mm,外径:115 mm,厚度:20 mm。
价格区间:¥0 - ¥0【详情】
前缀列表:【P:工程塑料材质】后缀列表:【C:接触角 15°】
P7015C是一种角接触球轴承,属于P7000系列塑料型结构。该轴承的基本尺寸为内径75毫米、外径115毫米、厚度20毫米,适用于对重量和耐腐蚀性有较高要求的应用场景。其内外圈通常采用工程塑料制作,有助于减轻整体重量并降低对某些化学介质的敏感性。
这类轴承的设计能够承受径向和轴向联合载荷,接触角的存在使其在支撑轴系时具有一定的调心能力。由于采用非金属材料,在潮湿环境或某些非强腐蚀性介质中可能表现出较好的适应性。不过,塑料材料在高温或持续重载条件下的性能表现可能受限,选用时需结合具体工况评估其适用性。
P7000系列轴承常见于轻至中等载荷的传动系统、小型仪器或一些有特殊环境需求的结构中。相较于金属轴承,其运行噪声可能较低,且具备绝缘特性。使用中需注意保持工作温度在材料允许范围内,并避免接触不兼容的溶剂或机械冲击。合理选型与安装有助于发挥其性能特点。
P
7
0
1
5
C
P:工程塑料材质
7:角接触球轴承
0:尺寸系列:超轻 10 系列
15:内径:75 mm
C:接触角 15°
P:
工程塑料材质
7:
角接触球轴承
0:
尺寸系列:超轻 10 系列
15:
内径:75 mm
C:
接触角 15°
公称型号 | ||
塑料型 | P7015C | |
主要尺寸(mm) | ||
内径 | d | 75 |
外径 | D | 115 |
厚度 | B | 20 |
r(min) | 1.1 | |
r1(min) | 0.6 | |
接触角 | ||
α(度) | 15° | |
额定载荷(KN) | ||
基本额定动载荷 | Cr | |
基本额定静载荷 | Cor | |
系数 | ||
f0 | 15.9 | |
限制速度(rpm) | ||
脂润滑 | ||
油润滑 | ||
载荷中心(mm) | ||
a(单列) | 22.7 | |
安装尺寸(mm) | ||
da(min) | 82 | |
Da(max) | 108 | |
ra(max) | 1 | |
db(min) | 80 | |
Db(max) | 110 | |
rb(max) | 0.6 | |
材质 | Plastic | |
重量(kg) | ||
单列 | 0.1165 |

商品 | 品牌 | 主要尺寸 | 发货仓 | 产地 | 库存 | 含税单价 | VIP价 | 操作 |