产品分类

SS7314C轴承
类型:【角接触球轴承 - 角接触球轴承】
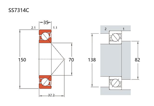
基本尺寸:内径:70 mm,外径:150 mm,厚度:35 mm。
价格区间:¥0 - ¥0【详情】
前缀列表:【SS:不锈钢轴承】后缀列表:【C:接触角 15°】
SS7314C角接触球轴承的内径为70毫米,外径为150毫米,厚度为35毫米,属于SS7000系列不锈钢型角接触球轴承。该系列轴承通常采用马氏体不锈钢材质,具有一定的防腐蚀能力,适用于对防锈有一般要求的工作环境。
作为角接触球轴承,其结构设计使其能够承受径向和轴向联合载荷,在应用中通常需要施加预紧力以提升刚性。SS7314C的接触角设计使其轴向承载能力相对突出,适用于中高速运转工况。此类轴承在安装时需注意配对方式,常见的配置有面对面、背对背或串联排列,以满足不同的应用需求。
该型号轴承常见于一些工业设备中,例如泵、小型电机或通用传动部件等场合。其不锈钢特性使其在对湿度、水汽或某些温和腐蚀性介质有一般防护要求的场景中可能具有一定适应性。在选用时需结合实际的载荷条件、转速要求及环境因素进行综合评估,以确保其性能得到有效发挥。
S
S
7
3
1
4
C
SS:不锈钢轴承
7:角接触球轴承
3:尺寸系列:中窄 03 系列
14:内径:70 mm
C:接触角 15°
SS:
不锈钢轴承
7:
角接触球轴承
3:
尺寸系列:中窄 03 系列
14:
内径:70 mm
C:
接触角 15°
公称型号 | ||
不锈钢型 | SS7314C | |
主要尺寸(mm) | ||
内径 | d | 70 |
外径 | D | 150 |
厚度 | B | 35 |
r(min) | 2.1 | |
r1(min) | 1.1 | |
接触角 | ||
α(度) | 15° | |
额定载荷(KN) | ||
基本额定动载荷 | Cr | 126 |
基本额定静载荷 | Cor | 91.9 |
系数 | ||
f0 | 13.4 | |
限制速度(rpm) | ||
脂润滑 | 7500 | |
油润滑 | 9900 | |
载荷中心(mm) | ||
a(单列) | 32.2 | |
安装尺寸(mm) | ||
da(min) | 82 | |
Da(max) | 138 | |
ra(max) | 2 | |
db(min) | 77 | |
Db(max) | 143 | |
rb(max) | 1 | |
材质 | ||
套圈 | 440C | |
滚动体 | 420 | |
保持架 | 304 | |
重量(kg) | ||
单列 | 2.57 |

商品 | 品牌 | 主要尺寸 | 发货仓 | 产地 | 库存 | 含税单价 | VIP价 | 操作 |