产品分类

SS7213C轴承
类型:【角接触球轴承 - 角接触球轴承】
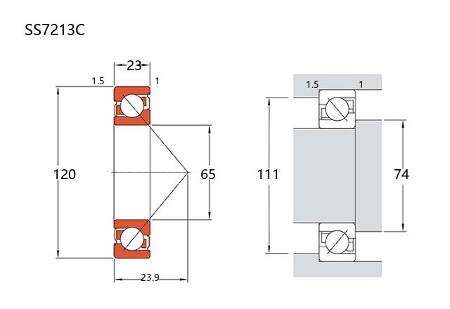
基本尺寸:内径:65 mm,外径:120 mm,厚度:23 mm。
价格区间:¥0 - ¥0【详情】
前缀列表:【SS:不锈钢轴承】后缀列表:【C:接触角 15°】
SS7213C属于SS7000系列不锈钢角接触球轴承,其设计结合了材料特性与结构优势,适用于多种精密旋转场合。该型号轴承的内径为65毫米,外径120毫米,厚度23毫米,尺寸规格适配中等负荷需求。
该轴承采用不锈钢材质制造,具备良好的耐腐蚀性能,可在潮湿或有一定化学介质的环境中使用。其角接触结构使轴承能够同时承受径向与轴向复合载荷,尤其适用于承受单向轴向负荷的工况。接触角设计优化了载荷分布,有助于提升运转稳定性。
在应用方面,SS7213C常见于中速旋转设备,如工业泵、小型传动系统或医疗仪器等对清洁度与防锈有一定要求的领域。安装时需注意角接触轴承通常需成对使用并以预紧方式调整,以保证轴向刚性。由于材料特性,其极限转速与负荷能力相较于同尺寸铬钢轴承略有调整,选型时需结合实际工况综合评估耐久性与环境适应性。
此类轴承在维护时建议采用兼容的润滑剂,并避免在高温或强冲击条件下单独使用,以延长使用寿命。
S
S
7
2
1
3
C
SS:不锈钢轴承
7:角接触球轴承
2:尺寸系列:轻窄 02 系列
13:内径:65 mm
C:接触角 15°
SS:
不锈钢轴承
7:
角接触球轴承
2:
尺寸系列:轻窄 02 系列
13:
内径:65 mm
C:
接触角 15°
公称型号 | ||
不锈钢型 | SS7213C | |
主要尺寸(mm) | ||
内径 | d | 65 |
外径 | D | 120 |
厚度 | B | 23 |
r(min) | 1.5 | |
r1(min) | 1 | |
接触角 | ||
α(度) | 15° | |
额定载荷(KN) | ||
基本额定动载荷 | Cr | 63.5 |
基本额定静载荷 | Cor | 52.5 |
系数 | ||
f0 | 14.6 | |
限制速度(rpm) | ||
脂润滑 | 3400 | |
油润滑 | 4800 | |
载荷中心(mm) | ||
a(单列) | 23.9 | |
安装尺寸(mm) | ||
da(min) | 74 | |
Da(max) | 111 | |
ra(max) | 1.5 | |
db(min) | 71 | |
Db(max) | 114 | |
rb(max) | 1 | |
材质 | ||
套圈 | 440C | |
滚动体 | 420 | |
保持架 | 304 | |
重量(kg) | ||
单列 | 1 |

商品 | 品牌 | 主要尺寸 | 发货仓 | 产地 | 库存 | 含税单价 | VIP价 | 操作 |