产品分类

7209B-2RS轴承
类型:【角接触球轴承 - 角接触球轴承】
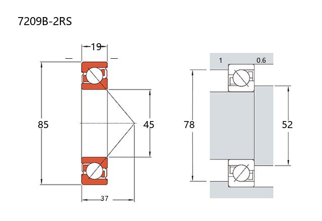
基本尺寸:内径:45 mm,外径:85 mm,厚度:19 mm。
价格区间:¥308.7 - ¥673.48【详情】
后缀列表:【B:40° 接触角】【-2RS:双面带径向接触唇式橡胶密封圈】
7209B-2RS是一款密封型角接触球轴承,其内径为45毫米,外径85毫米,厚度为19毫米。该轴承属于7000系列密封结构的普通精度等级产品,适用于一般工业应用环境。
这类轴承的设计特点是能够同时承受径向负荷和单向的轴向负荷,接触角的设计使其具备较好的轴向承载能力。B型结构通常代表特定的接触角与内部几何优化,有助于提升运行稳定性。轴承两侧配备接触式密封圈(2RS),能有效防止润滑脂泄漏并阻挡外部污染物侵入,延长了在多尘或潮湿环境中的使用寿命。
由于具备密封功能,该型号在安装前已注入适量的润滑脂,可在一定周期内实现免维护运行,方便了设备装配与日常管理。它常被应用于中型电机、传动装置、泵类设备及通用机械中,适合于中等转速、负荷要求平稳的工况。在使用时需注意其单向受力的特性,应依据主轴受力方向正确配置安装。
该轴承的综合性能较为均衡,在常规工业领域中有较广泛的应用基础。
7
2
0
9
B
-
2
R
S
7:角接触球轴承
2:尺寸系列:轻窄 02 系列
09:内径:45 mm
B:40° 接触角
-2RS:双面带径向接触唇式橡胶密封圈
7:
角接触球轴承
2:
尺寸系列:轻窄 02 系列
09:
内径:45 mm
B:
40° 接触角
-2RS:
双面带径向接触唇式橡胶密封圈
公称型号 | ||
单列密封型 | 7209B-2RS | |
主要尺寸(mm) | ||
内径 | d | 45 |
外径 | D | 85 |
厚度 | B | 19 |
r(min) | — | |
r1(min) | — | |
额定载荷(KN) | ||
基本额定动载荷 | Cr | 45 |
基本额定静载荷 | Cor | 32.5 |
疲劳极限 | ||
径向 | Cur(KN) | — |
转速(rpm) | ||
极限 | 4600 | |
参考 | — | |
载荷中心(mm) | ||
a(单列) | 37 | |
尺寸(mm) | ||
d1 | — | |
d2 | — | |
D1 | — | |
D2 | — | |
D3 | — | |
安装尺寸(mm) | ||
da(min) | 52 | |
Da(max) | 78 | |
Db(max) | 80.8 | |
ra(max) | 1 | |
rb(max) | 0.6 | |
接触角 | ||
α(°) | 40° | |
密封 | 2RS | |
重量(kg) | ||
单列 | 0.4 |

商品 | 品牌 | 主要尺寸 | 发货仓 | 产地 | 库存 | 含税单价 | VIP价 | 操作 |
SKF 7209 BE-2RZP轴承 角接触球轴承 |
SKF | 45 X 85 X 19 | 华东 | 进口 | 119 | 424.98 | ¥360.15 | |
FAG 7209-B-XL-2RS-TVP轴承 单列角接触球轴承 |
FAG | 45 X 85 X 19 | 华南 | 德国 | 26 | 379.7 | ¥308.7 | |
SKF 7209 BE-2RZP/GWK轴承 角接触球轴承 |
SKF | 45 X 85 X 19 | 华北 | 进口 | 20 | 673.48 | ¥565.95 | |