产品分类

7207B-2RS轴承
类型:【角接触球轴承 - 角接触球轴承】
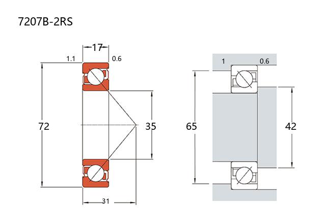
基本尺寸:内径:35 mm,外径:72 mm,厚度:17 mm。
价格区间:¥154.35 - ¥1476.14【详情】
后缀列表:【B:40° 接触角】【-2RS:双面带径向接触唇式橡胶密封圈】
7207B-2RS 是一款角接触球轴承,其内径为 35mm,外径为 72mm,厚度为 17mm。该轴承属于 7000 密封型系列,采用两面接触式密封结构,有助于在运转过程中减少润滑脂泄漏并阻挡外部污染物侵入。
轴承型号中的“B”通常表示接触角参数,这类设计使其能够承受径向与轴向联合载荷,或较大的单向轴向负荷。密封件一般采用橡胶材质,常见于对防尘、防溅有一般要求的应用环境。这类轴承在安装时需注意方向性,通常成对使用以提升支撑刚度。
在中等转速的旋转部位,如一些传动机构、电机或泵类设备中,可能会见到该型号轴承的应用。其结构相对紧凑,适用于空间有限的安装位置。两面密封的设计使其在出厂时已填充润滑脂,可在一定周期内维持润滑效果,简化了维护流程。
轴承性能的发挥会受到配合精度、安装对中情况及工作温升等因素的影响,实际选用时需结合具体工况进行综合评估。
7
2
0
7
B
-
2
R
S
7:角接触球轴承
2:尺寸系列:轻窄 02 系列
07:内径:35 mm
B:40° 接触角
-2RS:双面带径向接触唇式橡胶密封圈
7:
角接触球轴承
2:
尺寸系列:轻窄 02 系列
07:
内径:35 mm
B:
40° 接触角
-2RS:
双面带径向接触唇式橡胶密封圈
公称型号 | ||
单列密封型 | 7207B-2RS | |
主要尺寸(mm) | ||
内径 | d | 35 |
外径 | D | 72 |
厚度 | B | 17 |
r(min) | 1.1 | |
r1(min) | 0.6 | |
额定载荷(KN) | ||
基本额定动载荷 | Cr | 28 |
基本额定静载荷 | Cor | 19 |
疲劳极限 | ||
径向 | Cur(KN) | 1.28 |
转速(rpm) | ||
极限 | 5600 | |
参考 | – | |
载荷中心(mm) | ||
a(单列) | 31 | |
尺寸(mm) | ||
d1 | – | |
d2 | 45.8 | |
D1 | – | |
D2 | 60.2 | |
D3 | 66.5 | |
安装尺寸(mm) | ||
da(min) | 42 | |
Da(max) | 65 | |
Db(max) | 67.8 | |
ra(max) | 1 | |
rb(max) | 0.6 | |
接触角 | ||
α(°) | 40° | |
密封 | 2RS | |
重量(kg) | ||
单列 | 0.282 |

商品 | 品牌 | 主要尺寸 | 发货仓 | 产地 | 库存 | 含税单价 | VIP价 | 操作 |
SKF 7207 BE-2RZP轴承 角接触球轴承 |
SKF | 35 X 72 X 17 | 华东 | 进口上海仓 | 98 | 306.5 | ¥266.52 | |
FAG 7207B.2RS.TVP轴承 单列角接触球轴承 |
FAG | 35 X 72 X 17 | 华南 | 1 | 612.26 | ¥514.5 | ||
FAG 7207-B-XL-2RS-TVP#E轴承 单列角接触球轴承 |
FAG | 35 X 72 X 17 | 华东 | 进口产地 | 11 | 257.25 | ¥205.8 | |
FAG 7207-B-XL-2RS-TVP轴承 单列角接触球轴承 |
FAG | 35 X 72 X 17 | 华东 | 中国 | 490 | 196.02 | ¥154.35 | |
FAG 7207-B-XL-2RS-TVP-UA轴承 单列角接触球轴承 |
FAG | 35 X 72 X 17 | 海外 | 8 | 1476.14 | ¥1135.49 | ||
篇幅有限,仅显示五条,更多可点击:搜索,或者:深度搜索 |