产品分类

7202B-2Z轴承
类型:【角接触球轴承 - 角接触球轴承】
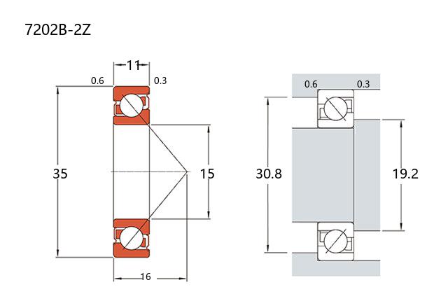
基本尺寸:内径:15 mm,外径:35 mm,厚度:11 mm。
价格区间:¥0 - ¥0【详情】
后缀列表:【B:40° 接触角】【-2Z:两侧间隙式金属防尘盖】
7202B-2Z 是一款角接触球轴承,属于 7000 密封型系列。其基本尺寸为内径 15mm、外径 35mm、厚度 11mm。该轴承采用接触角设计,能够同时承受径向载荷和一定方向的轴向载荷,适用于需要复合载荷支撑的场合。
轴承代号中的“B”通常表示接触角参数,“2Z”代表轴承两侧带有防尘盖密封结构。这种密封形式有助于在运行时防止污染物进入内部,同时保留初始润滑脂,从而在常见工况下延长维护周期并提升运行的稳定性。该型号多用于中小型机械装置中,例如电动工具、小型电机、传动机构或精密仪器部件,能够满足一般转速和载荷条件的使用需求。
在选用时,需结合具体应用的载荷大小、方向、转速以及环境条件进行综合评估。该结构有助于简化相邻部件设计,在适当的安装与润滑条件下,可表现出较好的工作性能。需要注意的是,不同制造商的产品在细节上可能存在一定差异,实际使用时应参考具体技术资料。
7
2
0
2
B
-
2
Z
7:角接触球轴承
2:尺寸系列:轻窄 02 系列
02:内径:15 mm
B:40° 接触角
-2Z:两侧间隙式金属防尘盖
7:
角接触球轴承
2:
尺寸系列:轻窄 02 系列
02:
内径:15 mm
B:
40° 接触角
-2Z:
两侧间隙式金属防尘盖
公称型号 | ||
单列密封型 | 7202B-2Z | |
主要尺寸(mm) | ||
内径 | d | 15 |
外径 | D | 35 |
厚度 | B | 11 |
r(min) | 0.6 | |
r1(min) | 0.3 | |
额定载荷(KN) | ||
基本额定动载荷 | Cr | 8.4 |
基本额定静载荷 | Cor | 4.45 |
疲劳极限 | ||
径向 | Cur(KN) | 0.3 |
转速(rpm) | ||
极限 | 12000 | |
参考 | – | |
载荷中心(mm) | ||
a(单列) | 16 | |
尺寸(mm) | ||
d1 | – | |
d2 | 19.7 | |
D1 | – | |
D2 | 29.2 | |
D3 | 32.1 | |
安装尺寸(mm) | ||
da(min) | 19.2 | |
Da(max) | 30.8 | |
Db(max) | 32.6 | |
ra(max) | 0.6 | |
rb(max) | 0.3 | |
接触角 | ||
α(°) | 40° | |
密封 | 2Z | |
重量(kg) | ||
单列 | 0.044 |

商品 | 品牌 | 主要尺寸 | 发货仓 | 产地 | 库存 | 含税单价 | VIP价 | 操作 |