产品分类

7008B-2RS轴承
类型:【角接触球轴承 - 角接触球轴承】
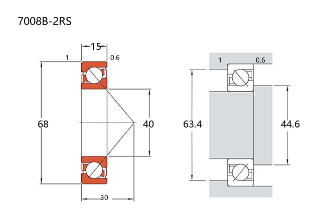
基本尺寸:内径:40 mm,外径:68 mm,厚度:15 mm。
价格区间:¥38.38 - ¥296.97【详情】
后缀列表:【B:40° 接触角】【-2RS:双面带径向接触唇式橡胶密封圈】
7008B-2RS是一款常见的角接触球轴承型号,其基本尺寸参数为内径40mm、外径68mm、厚度15mm。该轴承属于7000密封型系列,通常被认为是普通级别的产品。
从结构上看,型号中的“B”一般表示接触角参数,意味着轴承的滚道经过特定设计,能够同时承受径向载荷和一定的轴向载荷。与单向受力轴承相比,这种设计使其在应用中表现出较好的适应性。“2RS”后缀则代表轴承两侧装有接触式橡胶密封圈,能有效防止润滑脂泄漏并阻挡外界污染物侵入,有助于在多种工况下维持内部润滑状态,延长使用寿命。
此类轴承因其结构紧凑和具备密封特性,常见于空间受限且对防尘有一定要求的传动部位。例如,在一些中小型电机、泵类设备或普通变速箱中可能会看到它的应用。其设计侧重于满足常规转速和载荷条件下的运行需求。
需要注意的是,轴承的实际性能和使用寿命会受到安装精度、工作环境以及维护保养情况等多种因素的综合影响。在选择和使用时,参考制造商提供的具体技术规格和指导建议通常是必要的。
7
0
0
8
B
-
2
R
S
7:角接触球轴承
0:尺寸系列:超轻 10 系列
08:内径:40 mm
B:40° 接触角
-2RS:双面带径向接触唇式橡胶密封圈
7:
角接触球轴承
0:
尺寸系列:超轻 10 系列
08:
内径:40 mm
B:
40° 接触角
-2RS:
双面带径向接触唇式橡胶密封圈
公称型号 | ||
单列密封型 | 7008B-2RS | |
主要尺寸(mm) | ||
内径 | d | 40 |
外径 | D | 68 |
厚度 | B | 15 |
r(min) | 1 | |
r1(min) | 0.6 | |
额定载荷(KN) | ||
基本额定动载荷 | Cr | 26 |
基本额定静载荷 | Cor | 17.4 |
疲劳极限 | ||
径向 | Cur(KN) | 1.18 |
转速(rpm) | ||
极限 | 5300 | |
参考 | – | |
载荷中心(mm) | ||
a(单列) | 30 | |
尺寸(mm) | ||
d1 | – | |
d2 | 48.8 | |
D1 | – | |
D2 | 60.5 | |
D3 | 66.3 | |
安装尺寸(mm) | ||
da(min) | 44.6 | |
Da(max) | 63.4 | |
Db(max) | 64.8 | |
ra(max) | 1 | |
rb(max) | 0.6 | |
接触角 | ||
α(°) | 40° | |
密封 | 2RS | |
重量(kg) | ||
单列 | 0.17 |

商品 | 品牌 | 主要尺寸 | 发货仓 | 产地 | 库存 | 含税单价 | VIP价 | 操作 |
HRB 7008CTN-2RZ轴承 角接触球轴承 |
HRB | 40 X 68 X 15 | 华东 | 哈尔滨 | 200 | 49.89 | ¥38.38 | |
FAG 7008B.2RS.TVP轴承 单列角接触球轴承 |
FAG | 40 X 68 X 15 | 华南 | 德国 | 100 | 185.02 | ¥159.5 | |
FAG 7008-B-XL-2RS-TVP#E轴承 单列角接触球轴承 |
FAG | 40 X 68 X 15 | 海外 | 211 | 183.14 | ¥162.07 | ||
FAG 7008-B-XL-2RS-TVP轴承 单列角接触球轴承 |
FAG | 40 X 68 X 15 | 华南 | 德国 | 64 | 296.97 | ¥267.54 | |