产品分类

7005B-2Z轴承
类型:【角接触球轴承 - 角接触球轴承】
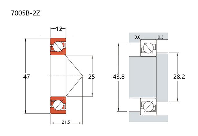
基本尺寸:内径:25 mm,外径:47 mm,厚度:12 mm。
价格区间:¥0 - ¥0【详情】
后缀列表:【B:40° 接触角】【-2Z:两侧间隙式金属防尘盖】
7005B-2Z 是一款公制尺寸的角接触球轴承,其内径为 25mm,外径为 47mm,宽度为 12mm。该型号属于 7000 系列的密封型产品,通常被认为属于普通精度等级。
这款轴承的设计特点是两侧带有防尘盖(2Z 表示双侧金属防尘盖),有助于在运转过程中阻挡粉尘等污染物进入内部,对延长润滑脂的有效使用时长有一定帮助。其接触角设计使轴承能够承受径向载荷与单向的轴向载荷,在某些应用中,成对安装可以提升轴向刚性。
从尺寸规格来看,7005B-2Z 适用于内圈孔径为 25mm 的安装场景,结构相对紧凑。此类轴承常见于中小型电机、泵类、传动机构或一些通用机械领域中,作为支撑旋转部件的关键零件。
在选择使用时,需注意其载荷能力与转速限制应满足具体工况要求,并确保安装对中和润滑条件适宜。密封结构使其在清洁度要求不是极端严苛的环境下,可能表现出较好的维护便利性。总体而言,该型号轴承是一款应用范围较广的标准型基础部件。
7
0
0
5
B
-
2
Z
7:角接触球轴承
0:尺寸系列:超轻 10 系列
05:内径:25 mm
B:40° 接触角
-2Z:两侧间隙式金属防尘盖
7:
角接触球轴承
0:
尺寸系列:超轻 10 系列
05:
内径:25 mm
B:
40° 接触角
-2Z:
两侧间隙式金属防尘盖
公称型号 | ||
单列密封型 | 7005B-2Z | |
主要尺寸(mm) | ||
内径 | d | 25 |
外径 | D | 47 |
厚度 | B | 12 |
r(min) | — | |
r1(min) | — | |
额定载荷(KN) | ||
基本额定动载荷 | Cr | 14.8 |
基本额定静载荷 | Cor | 9.3 |
疲劳极限 | ||
径向 | Cur(KN) | — |
转速(rpm) | ||
极限 | 11500 | |
参考 | — | |
载荷中心(mm) | ||
a(单列) | 21.5 | |
尺寸(mm) | ||
d1 | — | |
d2 | — | |
D1 | — | |
D2 | — | |
D3 | — | |
安装尺寸(mm) | ||
da(min) | 28.2 | |
Da(max) | 43.8 | |
Db(max) | 45 | |
ra(max) | 0.6 | |
rb(max) | 0.3 | |
接触角 | ||
α(°) | 40° | |
密封 | 2Z | |
重量(kg) | ||
单列 | 0.08 |

商品 | 品牌 | 主要尺寸 | 发货仓 | 产地 | 库存 | 含税单价 | VIP价 | 操作 |