产品分类

BT360-1B轴承
类型:【角接触球轴承 - 角接触球轴承】
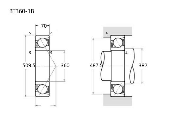
基本尺寸:内径:360 mm,外径:509.5 mm,厚度:70 mm。
价格区间:¥0 - ¥0【详情】
前缀列表:【BT:特殊尺寸 BT 系列】后缀列表:【-1:内部设计优化,代号 1】【B:接触角 40°】
BT360-1B是一款深沟球轴承,内径为360mm,外径为509.5mm,厚度为70mm,尺寸规格适用于中大型机械结构。该轴承属于角接触球轴承类别,设计用于承受径向和轴向联合载荷,常见于较高转速及精度要求的应用场景。其接触角设计有助于提升轴向承载能力,适用于中等负荷工况。
该轴承采用普通级精度,涵盖P0、P6或P5等级别,平衡了经济性与性能需求,可满足一般工业设备的运行条件。典型应用包括传动系统、电机主轴或通用工业旋转部件,尤其在需要一定刚性和精度的场合中表现稳定。
制造材料通常为高碳铬钢,经热处理以提高耐磨性和疲劳寿命。结构上具有保持架设计,利于润滑剂分布和热量管理。用户在选型时需结合具体负载、转速及环境条件进行综合评估,以确保兼容性和长期可靠性。
B
T
3
6
0
-
1
B
BT:特殊尺寸 BT 系列
360:内径代号,内径:360 mm
-1:内部设计优化,代号 1
B:接触角 40°
BT:
特殊尺寸 BT 系列
360:
内径代号,内径:360 mm
-1:
内部设计优化,代号 1
B:
接触角 40°
公称型号(按保持器区分) | ||
冲压钢 | ||
尼龙 | ||
车削铜 | BT360-1B | |
主要尺寸(mm) | ||
内径 | d | 360 |
外径 | D | 509.5 |
厚度 | B | 70 |
r(min) | 5 | |
r1(min) | 2 | |
接触角 | ||
α(度) | 40° | |
额定载荷(KN) | ||
动载荷 | Cr(单列) | 390 |
基本额定静载荷 | Cor(单列) | 685 |
系数 | ||
f0 | — | |
限制速度(rpm) | ||
脂润滑 | ||
油润滑 | ||
载荷中心(mm) | ||
a(单列) | 217.5 | |
安装尺寸(mm) | ||
da(min) | 382 | |
Da(max) | 487.5 | |
ra(max) | 4 | |
db(min) | ||
Db(max) | ||
rb(max) | 2 | |
重量(kg) | ||
单列 | 45 |

商品 | 品牌 | 主要尺寸 | 发货仓 | 产地 | 库存 | 含税单价 | VIP价 | 操作 |