产品分类

BT220-2B轴承
类型:【角接触球轴承 - 角接触球轴承】
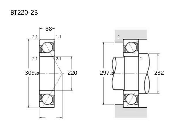
基本尺寸:内径:220 mm,外径:309.5 mm,厚度:38 mm。
价格区间:¥0 - ¥0【详情】
前缀列表:【BT:特殊尺寸 BT 系列】后缀列表:【-2:内部设计优化,代号 2】【B:接触角 40°】
BT220-2B型轴承属于角接触球轴承,其内径为220mm,外径为309.5mm,厚度为38mm。该型号轴承可承受径向和轴向联合载荷,适用于转速较高、同时存在双向轴向负荷的工况。由于接触角的设计,这类轴承在支撑刚性方面具有一定优势,常见于中等载荷及精度要求的设备中。
从分类来看,该轴承属于普通精度等级,涵盖P0、P6或P5级别,可满足一般工业应用的需求,例如中型传动系统、通用机床或泵类设备。其结构相对紧凑,安装方式需根据配置要求进行调整,成对使用时能提升系统的轴向承载能力。
在选择时需注意其工作温度、润滑条件及负载类型是否匹配,以确保性能发挥和寿命达到预期。此类轴承在常规工业环境中具有较广的适用性,但具体应用仍需结合设备设计及工况综合评估。
B
T
2
2
0
-
2
B
BT:特殊尺寸 BT 系列
220:内径代号,内径:220 mm
-2:内部设计优化,代号 2
B:接触角 40°
BT:
特殊尺寸 BT 系列
220:
内径代号,内径:220 mm
-2:
内部设计优化,代号 2
B:
接触角 40°
公称型号(按保持器区分) | ||
冲压钢 | ||
尼龙 | ||
车削铜 | BT220-2B | |
主要尺寸(mm) | ||
内径 | d | 220 |
外径 | D | 309.5 |
厚度 | B | 38 |
r(min) | 2.1 | |
r1(min) | 1.1 | |
接触角 | ||
α(度) | 40° | |
额定载荷(KN) | ||
动载荷 | Cr(单列) | 190 |
基本额定静载荷 | Cor(单列) | 246 |
系数 | ||
f0 | — | |
限制速度(rpm) | ||
脂润滑 | ||
油润滑 | ||
载荷中心(mm) | ||
a(单列) | 130 | |
安装尺寸(mm) | ||
da(min) | 232 | |
Da(max) | 297.5 | |
ra(max) | 2 | |
db(min) | ||
Db(max) | ||
rb(max) | 1 | |
重量(kg) | ||
单列 | 8.9 |

商品 | 品牌 | 主要尺寸 | 发货仓 | 产地 | 库存 | 含税单价 | VIP价 | 操作 |