产品分类

BT200-3B轴承
类型:【角接触球轴承 - 角接触球轴承】
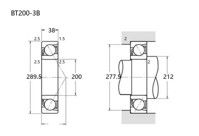
基本尺寸:内径:200 mm,外径:289.5 mm,厚度:38 mm。
价格区间:¥0 - ¥0【详情】
前缀列表:【BT:特殊尺寸 BT 系列】后缀列表:【-3:内部设计优化,代号 3】【B:接触角 40°】
BT200-3B型轴承属于角接触球轴承类别,其基本尺寸为内径200mm、外径289.5mm、厚度38mm。该型号轴承通常采用优质合金钢制造,具备较高的转速适应性和一定的轴向承载能力,适用于中等负荷的旋转应用场景。
从结构设计来看,该轴承采用接触角设计,能够同时承受径向和轴向联合载荷,常见于工业传动设备或精密机械中。其保持架多采用金属冲压或工程塑料材质,有助于降低摩擦和温升。根据工况需求,该型号可提供不同的精度等级,包括P0、P6或P5级别,以满足不同精密程度的装配要求。
在实际应用中,此类轴承需配合适当的润滑方式与安装精度,以确保稳定运行。典型使用场景包括中型电机、泵类设备或传动轴支撑部位。需要注意的是,轴承的实际性能会受到配合公差、工作环境及维护条件等多方面因素的影响。用户应根据设备制造商的指导规范进行选型与安装。
B
T
2
0
0
-
3
B
BT:特殊尺寸 BT 系列
200:内径代号,内径:200 mm
-3:内部设计优化,代号 3
B:接触角 40°
BT:
特殊尺寸 BT 系列
200:
内径代号,内径:200 mm
-3:
内部设计优化,代号 3
B:
接触角 40°
公称型号(按保持器区分) | ||
冲压钢 | ||
尼龙 | ||
车削铜 | BT200-3B | |
主要尺寸(mm) | ||
内径 | d | 200 |
外径 | D | 289.5 |
厚度 | B | 38 |
r(min) | 2.5 | |
r1(min) | 1.5 | |
接触角 | ||
α(度) | 40° | |
额定载荷(KN) | ||
动载荷 | Cr(单列) | 188 |
基本额定静载荷 | Cor(单列) | 238 |
系数 | ||
f0 | — | |
限制速度(rpm) | ||
脂润滑 | ||
油润滑 | ||
载荷中心(mm) | ||
a(单列) | 122 | |
安装尺寸(mm) | ||
da(min) | 212 | |
Da(max) | 277.5 | |
ra(max) | 2 | |
db(min) | ||
Db(max) | ||
rb(max) | 1.5 | |
重量(kg) | ||
单列 | 8.25 |

商品 | 品牌 | 主要尺寸 | 发货仓 | 产地 | 库存 | 含税单价 | VIP价 | 操作 |