产品分类

BT200-1B轴承
类型:【角接触球轴承 - 角接触球轴承】
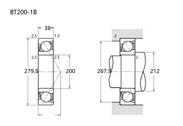
基本尺寸:内径:200 mm,外径:279.5 mm,厚度:38 mm。
价格区间:¥0 - ¥0【详情】
前缀列表:【BT:特殊尺寸 BT 系列】后缀列表:【-1:内部设计优化,代号 1】【B:接触角 40°】
BT200-1B型角接触球轴承内径为200mm,外径279.5mm,厚度38mm,属于标准尺寸规格的精密机械元件。该轴承属于角接触球轴承类别,设计用于同时承受径向和轴向联合载荷,接触角结构使其具备较好的刚性及运行精度。
这类轴承通常适用于中等转速及载荷场景,常见于工业传动设备、精密主轴结构或旋转支撑部位。其制造精度涵盖普通级(例如P0、P6或P5级别),可满足不同工况对旋转精度和运行稳定性的需求。由于角接触球轴承需成对安装使用或配合预紧调整,在实际应用中需注意安装方式和配合零件的设计。
轴承选用时需结合具体载荷条件、转速要求及环境因素进行综合评估,同时需保证适当的润滑与维护,以延长使用寿命。该型号轴承在通用机械领域具有较为广泛的应用前景。
B
T
2
0
0
-
1
B
BT:特殊尺寸 BT 系列
200:内径代号,内径:200 mm
-1:内部设计优化,代号 1
B:接触角 40°
BT:
特殊尺寸 BT 系列
200:
内径代号,内径:200 mm
-1:
内部设计优化,代号 1
B:
接触角 40°
公称型号(按保持器区分) | ||
冲压钢 | ||
尼龙 | ||
车削铜 | BT200-1B | |
主要尺寸(mm) | ||
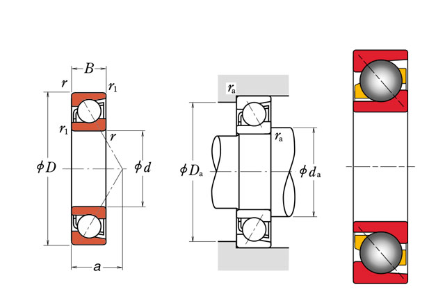
内径 | d | 200 |
外径 | D | 279.5 |
厚度 | B | 38 |
r(min) | 2.5 | |
r1(min) | 1.5 | |
接触角 | ||
α(度) | 40° | |
额定载荷(KN) | ||
动载荷 | Cr(单列) | 165 |
基本额定静载荷 | Cor(单列) | 202 |
系数 | ||
f0 | — | |
限制速度(rpm) | ||
脂润滑 | ||
油润滑 | ||
载荷中心(mm) | ||
a(单列) | 119.5 | |
安装尺寸(mm) | ||
da(min) | 212 | |
Da(max) | 267.5 | |
ra(max) | 2 | |
db(min) | ||
Db(max) | ||
rb(max) | 1.5 | |
重量(kg) | ||
单列 | 7.15 |

商品 | 品牌 | 主要尺寸 | 发货仓 | 产地 | 库存 | 含税单价 | VIP价 | 操作 |