产品分类

BA775-1A轴承
类型:【角接触球轴承 - 角接触球轴承】
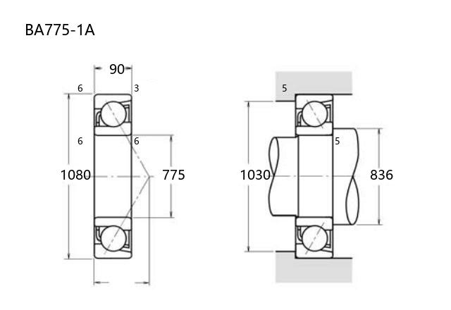
基本尺寸:内径:775 mm,外径:1080 mm,厚度:90 mm。
价格区间:¥0 - ¥0【详情】
前缀列表:【BA:特殊尺寸 BA 系列】后缀列表:【-1:内部设计优化,代号 1】【A:接触角 30°】
BA775-1A型轴承是一款角接触球轴承,内径为775毫米,外径为1080毫米,厚度为90毫米。该轴承采用角接触设计,能够同时承受径向和轴向载荷,适用于中高速旋转场合。其结构为单列普通级,精度等级涵盖P0、P6或P5级别,可满足不同工况对运行平稳性和刚度的需求。
这类轴承常见于大型工业设备中,如重型机床主轴、风力发电机组或矿山机械的传动部位。其尺寸较大,注重负载分布和耐久性,安装时需注意预紧调整和润滑管理,以优化性能并延长使用寿命。材料通常采用高质量合金钢,并经热处理增强耐磨性和抗疲劳强度。
在实际应用中,建议根据具体负载条件、转速要求及环境因素选择合适的精度等级和配置方式,以确保系统运行的可靠性。维护时需定期检查润滑状态和磨损情况,必要时进行更换或调整。
B
A
7
7
5
-
1
A
BA:特殊尺寸 BA 系列
775:内径代号,内径:775 mm
-1:内部设计优化,代号 1
A:接触角 30°
BA:
特殊尺寸 BA 系列
775:
内径代号,内径:775 mm
-1:
内部设计优化,代号 1
A:
接触角 30°
公称型号(按保持器区分) | ||
冲压钢 | ||
尼龙 | ||
车削铜 | BA775-1A | |
主要尺寸(mm) | ||
内径 | d | 775 |
外径 | D | 1080 |
厚度 | B | 90 |
r(min) | 6 | |
r1(min) | 3 | |
接触角 | ||
α(度) | 30° | |
额定载荷(KN) | ||
动载荷 | Cr(单列) | 590 |
基本额定静载荷 | Cor(单列) | 1700 |
系数 | ||
f0 | — | |
限制速度(rpm) | ||
脂润滑 | ||
油润滑 | ||
载荷中心(mm) | ||
a(单列) | 312.7 | |
安装尺寸(mm) | ||
da(min) | 836 | |
Da(max) | 1030 | |
ra(max) | 5 | |
db(min) | — | |
Db(max) | 1044 | |
rb(max) | 2.5 | |
重量(kg) | ||
单列 | 274 |

商品 | 品牌 | 主要尺寸 | 发货仓 | 产地 | 库存 | 含税单价 | VIP价 | 操作 |