产品分类

BA500-3A轴承
类型:【角接触球轴承 - 角接触球轴承】
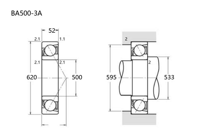
基本尺寸:内径:500 mm,外径:620 mm,厚度:52 mm。
价格区间:¥0 - ¥0【详情】
前缀列表:【BA:特殊尺寸 BA 系列】后缀列表:【-3:内部设计优化,代号 3】【A:接触角 30°】
BA500-3A 是一款角接触球轴承,其内径为 500mm,外径为 620mm,厚度为 52mm。该轴承属于通用精度等级,适用于中等负荷和转速的工况。角接触球轴承设计能够同时承受径向和轴向载荷,常应用于需要一定刚性及精度的旋转支撑结构中。
该型号轴承采用常见的接触角设计,便于安装和调整。其结构紧凑,适用于空间有限但要求负载能力的设备,如大型传动装置、工业旋转台或某些专用机械部件。在选用时需注意配合公差及润滑条件,以确保其性能发挥和寿命。此类轴承通常根据实际工况选择精度等级,以满足不同的运行需求。
B
A
5
0
0
-
3
A
BA:特殊尺寸 BA 系列
500:内径代号,内径:500 mm
-3:内部设计优化,代号 3
A:接触角 30°
BA:
特殊尺寸 BA 系列
500:
内径代号,内径:500 mm
-3:
内部设计优化,代号 3
A:
接触角 30°
公称型号(按保持器区分) | ||
冲压钢 | ||
尼龙 | ||
车削铜 | BA500-3A | |
主要尺寸(mm) | ||
内径 | d | 500 |
外径 | D | 620 |
厚度 | B | 52 |
r(min) | 2.1 | |
r1(min) | 1.1 | |
接触角 | ||
α(度) | 30° | |
额定载荷(KN) | ||
动载荷 | Cr(单列) | 310 |
基本额定静载荷 | Cor(单列) | 665 |
系数 | ||
f0 | — | |
限制速度(rpm) | ||
脂润滑 | ||
油润滑 | ||
载荷中心(mm) | ||
a(单列) | 187.7 | |
安装尺寸(mm) | ||
da(min) | 533 | |
Da(max) | 595 | |
ra(max) | 2 | |
db(min) | — | |
Db(max) | 600 | |
rb(max) | 1 | |
重量(kg) | ||
单列 | 35.1 |

商品 | 品牌 | 主要尺寸 | 发货仓 | 产地 | 库存 | 含税单价 | VIP价 | 操作 |