产品分类

BA470-1A轴承
类型:【角接触球轴承 - 角接触球轴承】
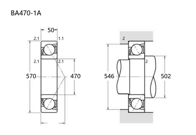
基本尺寸:内径:470 mm,外径:570 mm,厚度:50 mm。
价格区间:¥0 - ¥0【详情】
前缀列表:【BA:特殊尺寸 BA 系列】后缀列表:【-1:内部设计优化,代号 1】【A:接触角 30°】
BA470-1A 是一款角接触球轴承,其基本尺寸为内径 470mm、外径 570mm、厚度 50mm。该轴承属于角接触球轴承分类中的普通精度等级,通常涵盖 P0、P6 或 P5 级精度选项,适用于对运转精度有一般要求的场合。
角接触球轴承设计用于同时承受径向和轴向载荷,其接触角结构有助于提升轴向刚性。BA470-1A 的中等厚度和较大孔径使其在承载能力与结构紧凑性之间取得平衡,常见于中型工业设备中,如传动系统、旋转支承或通用机械部件。这类轴承在安装时需注意配置方式,以充分发挥其性能特点。
材料及热处理工艺根据应用环境可能有所差异,用户可根据实际工况选择适当的精度等级和润滑方式。该型号轴承在常规工业应用中表现稳定,但需结合具体使用条件进行选型评估。
B
A
4
7
0
-
1
A
BA:特殊尺寸 BA 系列
470:内径代号,内径:470 mm
-1:内部设计优化,代号 1
A:接触角 30°
BA:
特殊尺寸 BA 系列
470:
内径代号,内径:470 mm
-1:
内部设计优化,代号 1
A:
接触角 30°
公称型号(按保持器区分) | ||
冲压钢 | ||
尼龙 | ||
车削铜 | BA470-1A | |
主要尺寸(mm) | ||
内径 | d | 470 |
外径 | D | 570 |
厚度 | B | 50 |
r(min) | 2.1 | |
r1(min) | 1.1 | |
接触角 | ||
α(度) | 30° | |
额定载荷(KN) | ||
动载荷 | Cr(单列) | 310 |
基本额定静载荷 | Cor(单列) | 645 |
系数 | ||
f0 | — | |
限制速度(rpm) | ||
脂润滑 | ||
油润滑 | ||
载荷中心(mm) | ||
a(单列) | 175.1 | |
安装尺寸(mm) | ||
da(min) | 502 | |
Da(max) | 546 | |
ra(max) | 2 | |
db(min) | — | |
Db(max) | 551 | |
rb(max) | 1 | |
重量(kg) | ||
单列 | 25.3 |

商品 | 品牌 | 主要尺寸 | 发货仓 | 产地 | 库存 | 含税单价 | VIP价 | 操作 |