产品分类

BA160-4A轴承
类型:【角接触球轴承 - 角接触球轴承】
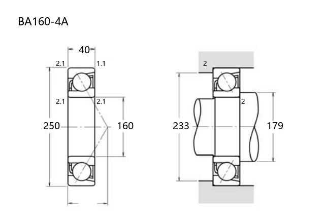
基本尺寸:内径:160 mm,外径:250 mm,厚度:40 mm。
价格区间:¥0 - ¥0【详情】
前缀列表:【BA:特殊尺寸 BA 系列】后缀列表:【-4:内部设计优化,代号 4】【A:接触角 30°】
BA160-4A是一款角接触球轴承,属于单个普通精度等级产品,通常涵盖P0、P6或P5级精度选项。其基本尺寸为内径160毫米、外径250毫米以及厚度40毫米,适用于中等负荷和较高转速的工况。该轴承采用角接触设计,能够同时承受径向和轴向联合载荷,接触角结构有助于提升运转稳定性。
在应用方面,BA160-4A常见于工业传动系统、中型机械设备和精密旋转机构中,如电机主轴、泵类设备或齿轮箱支撑部位。其普通级精度平衡了性能与成本,适合对运行平稳性有一定要求但不需要极高精度的场合。
材料通常采用高碳铬钢,经热处理后具备良好的耐磨性和疲劳强度。用户在选型时需结合实际负荷、转速及安装条件综合评估,确保匹配系统需求。该型号轴承在常规工业环境中表现可靠,但需注意维护保养以延长使用寿命。
B
A
1
6
0
-
4
A
BA:特殊尺寸 BA 系列
160:内径代号,内径:160 mm
-4:内部设计优化,代号 4
A:接触角 30°
BA:
特殊尺寸 BA 系列
160:
内径代号,内径:160 mm
-4:
内部设计优化,代号 4
A:
接触角 30°
公称型号(按保持器区分) | ||
冲压钢 | ||
尼龙 | ||
车削铜 | BA160-4A | |
主要尺寸(mm) | ||
内径 | d | 160 |
外径 | D | 250 |
厚度 | B | 40 |
r(min) | 2.1 | |
r1(min) | 1.1 | |
接触角 | ||
α(度) | 30° | |
额定载荷(KN) | ||
动载荷 | Cr(单列) | 155 |
基本额定静载荷 | Cor(单列) | 176 |
系数 | ||
f0 | — | |
限制速度(rpm) | ||
脂润滑 | ||
油润滑 | ||
载荷中心(mm) | ||
a(单列) | 77.7 | |
安装尺寸(mm) | ||
da(min) | 179 | |
Da(max) | 233 | |
ra(max) | 2 | |
db(min) | — | |
Db(max) | 238 | |
rb(max) | 1 | |
重量(kg) | ||
单列 | 7.14 |

商品 | 品牌 | 主要尺寸 | 发货仓 | 产地 | 库存 | 含税单价 | VIP价 | 操作 |