产品分类

BA145-1A轴承
类型:【角接触球轴承 - 角接触球轴承】
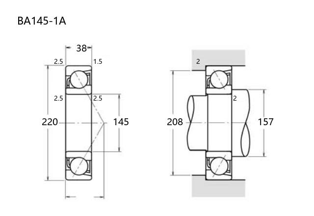
基本尺寸:内径:145 mm,外径:220 mm,厚度:38 mm。
价格区间:¥0 - ¥0【详情】
前缀列表:【BA:特殊尺寸 BA 系列】后缀列表:【-1:内部设计优化,代号 1】【A:接触角 30°】
BA145-1A型轴承属于角接触球轴承,其内径为145毫米,外径为220毫米,厚度为38毫米。该轴承适用于需要同时承受径向和轴向载荷的场合,常见于中等转速的工业设备中。其接触角设计有助于提升轴向承载能力,并可适应一定的复合负荷工况。
该型号轴承通常采用普通级精度制造,涵盖P0、P6或P5等级别,能够满足多数通用机械对运转精度和稳定性的基本需求。在安装时需注意角接触轴承的配置方式,以保证载荷方向的合理性。
此类轴承多用于传动系统、泵类设备或中型电机的支撑结构,其尺寸参数适合在空间受限且要求结构紧凑的场景中使用。用户需根据实际工况配合适当的润滑与维护方案,以优化轴承使用寿命。
B
A
1
4
5
-
1
A
BA:特殊尺寸 BA 系列
145:内径代号,内径:145 mm
-1:内部设计优化,代号 1
A:接触角 30°
BA:
特殊尺寸 BA 系列
145:
内径代号,内径:145 mm
-1:
内部设计优化,代号 1
A:
接触角 30°
公称型号(按保持器区分) | ||
冲压钢 | ||
尼龙 | ||
车削铜 | BA145-1A | |
主要尺寸(mm) | ||
内径 | d | 145 |
外径 | D | 220 |
厚度 | B | 38 |
r(min) | 2.5 | |
r1(min) | 1.5 | |
接触角 | ||
α(度) | 30° | |
额定载荷(KN) | ||
动载荷 | Cr(单列) | 148 |
基本额定静载荷 | Cor(单列) | 158 |
系数 | ||
f0 | — | |
限制速度(rpm) | ||
脂润滑 | ||
油润滑 | ||
载荷中心(mm) | ||
a(单列) | 71.7 | |
安装尺寸(mm) | ||
da(min) | 157 | |
Da(max) | 208 | |
ra(max) | 2 | |
db(min) | ||
Db(max) | ||
rb(max) | 1.5 | |
重量(kg) | ||
单列 | 5.15 |

商品 | 品牌 | 主要尺寸 | 发货仓 | 产地 | 库存 | 含税单价 | VIP价 | 操作 |