产品分类

7948AM轴承
类型:【角接触球轴承 - 角接触球轴承】
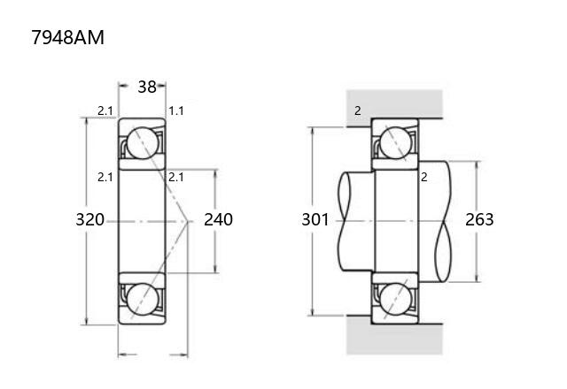
基本尺寸:内径:240 mm,外径:320 mm,厚度:38 mm。
价格区间:¥5042.1 - ¥14725.05【详情】
后缀列表:【A:接触角 30°】【M:机加工黄铜保持架】
7948AM属于角接触球轴承系列,采用单列设计,适用于中等转速及较高精度的应用场景。该型号的内径为240毫米,外径达320毫米,厚度为38毫米,尺寸规格符合常见的工业需求。作为角接触球轴承,其结构能够同时承受径向和轴向载荷,尤其适合复合受力场合,常见于机床主轴、泵类设备或传动系统中。
该轴承通常采用标准化制造工艺,具备P0级或更高级别的精度选项,能够满足不同工况下的运行稳定性要求。其接触角设计优化了载荷分布,有助于提升轴承的疲劳寿命和刚性。在安装时需注意轴向预紧力的调整,以确保发挥最佳性能。
7948AM型号的保持架多采用金属或工程塑料材质,具体根据应用需求选择。在使用过程中需配合适当的润滑与密封方案,以减少磨损并延长使用寿命。这类轴承因其平衡的性能表现,在工业机械领域具有较为广泛的应用。
7
9
4
8
A
M
7:角接触球轴承
9:尺寸系列:超轻 19 系列
48:内径:240 mm
A:接触角 30°
M:机加工黄铜保持架
7:
角接触球轴承
9:
尺寸系列:超轻 19 系列
48:
内径:240 mm
A:
接触角 30°
M:
机加工黄铜保持架
公称型号(按保持器区分) | ||
冲压钢 | ||
尼龙 | 7948ATN | |
车削铜 | 7948AM | |
主要尺寸(mm) | ||
内径 | d | 240 |
外径 | D | 320 |
厚度 | B | 38 |
r(min) | 2.1 | |
r1(min) | 1.1 | |
接触角 | ||
α(度) | 30° | |
额定载荷(KN) | ||
动载荷 | Cr(单列) | 181 |
基本额定静载荷 | Cor(单列) | 260 |
系数 | ||
f0 | — | |
限制速度(rpm) | ||
脂润滑 | ||
油润滑 | ||
载荷中心(mm) | ||
a(单列) | 99.8 | |
安装尺寸(mm) | ||
da(min) | 263 | |
Da(max) | 301 | |
ra(max) | 2 | |
db(min) | — | |
Db(max) | 306 | |
rb(max) | 1 | |
重量(kg) | ||
单列 | 8.37 |

商品 | 品牌 | 主要尺寸 | 发货仓 | 产地 | 库存 | 含税单价 | VIP价 | 操作 |
SKF 71948 ACMB/P6轴承 角接触球轴承 |
SKF | 240 X 320 X 38 | 华南 | 82 | 14725.05 | ¥11686.55 | ||
FAG 71948-MP-UA轴承 单列角接触球轴承 |
FAG | 240 X 320 X 38 | 华东 | 意大利 | 3 | 6453.89 | ¥5042.1 | |