产品分类

7940CM轴承
类型:【角接触球轴承 - 角接触球轴承】
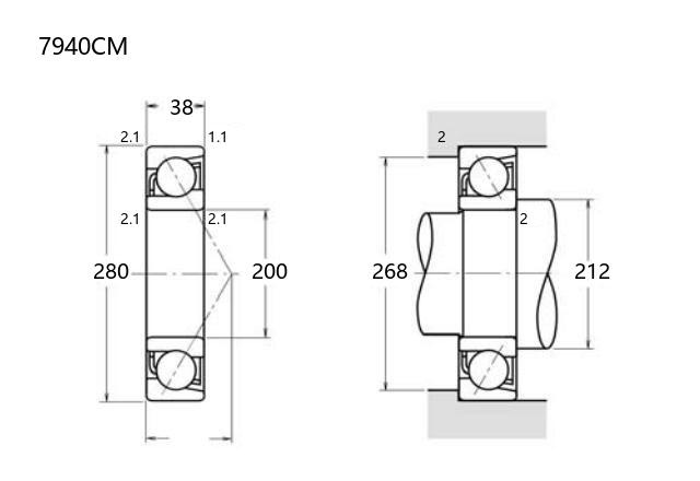
基本尺寸:内径:200 mm,外径:280 mm,厚度:38 mm。
价格区间:¥0 - ¥0【详情】
后缀列表:【C:接触角 15°】【M:实体黄铜保持架】
7940CM属于角接触球轴承系列,其基本尺寸为内径200毫米、外径280毫米、厚度38毫米。该型号轴承具有承受径向和轴向联合载荷的能力,适用于存在复合载荷的工况条件。其接触角设计有助于提升轴向刚性,常见于中高转速的应用环境。
在分类上,7940CM属于普通精度等级,涵盖P0、P6或P5级,可满足一般工业设备对运转精度的基本需求。这类轴承通常用于电机、泵类、传动系统及通用机械等领域,能够适应中等负荷和转速要求。其结构设计注重基本性能与可靠性的平衡,安装时需注意调整预紧或配置以发挥其功能特点。
选型时需结合具体应用条件,考虑载荷类型、转速范围及精度需求等因素。维护中应确保润滑充分并定期检查状态,以保障轴承的稳定运行与使用寿命。
7
9
4
0
C
M
7:角接触球轴承
9:尺寸系列:超轻 19 系列
40:内径:200 mm
C:接触角 15°
M:实体黄铜保持架
7:
角接触球轴承
9:
尺寸系列:超轻 19 系列
40:
内径:200 mm
C:
接触角 15°
M:
实体黄铜保持架
公称型号(按保持器区分) | ||
冲压钢 | ||
尼龙 | 7940CTN | |
车削铜 | 7940CM | |
主要尺寸(mm) | ||
内径 | d | 200 |
外径 | D | 280 |
厚度 | B | 38 |
r(min) | 2.1 | |
r1(min) | 1.1 | |
接触角 | ||
α(度) | 15° | |
额定载荷(KN) | ||
动载荷 | Cr(单列) | 189 |
基本额定静载荷 | Cor(单列) | 244 |
系数 | ||
f0 | 16.5 | |
限制速度(rpm) | ||
脂润滑 | 2800 | |
油润滑 | 4000 | |
载荷中心(mm) | ||
a(单列) | 51.2 | |
安装尺寸(mm) | ||
da(min) | 212 | |
Da(max) | 268 | |
ra(max) | 2 | |
db(min) | — | |
Db(max) | 273 | |
rb(max) | 1 | |
重量(kg) | ||
单列 | 6.85 |

商品 | 品牌 | 主要尺寸 | 发货仓 | 产地 | 库存 | 含税单价 | VIP价 | 操作 |