产品分类

7924AM轴承
类型:【角接触球轴承 - 角接触球轴承】
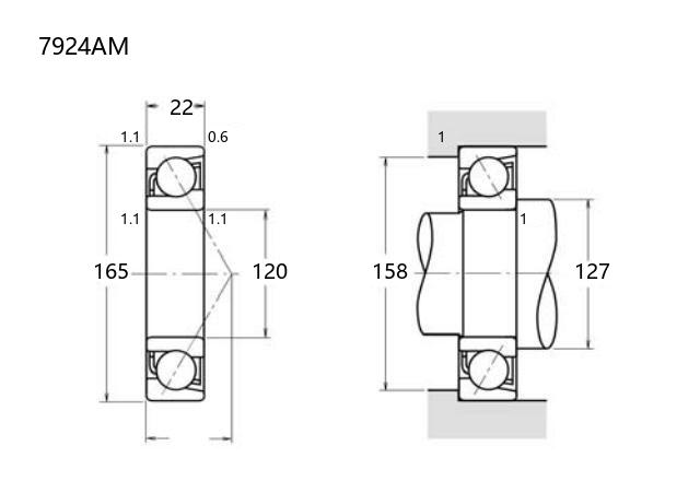
基本尺寸:内径:120 mm,外径:165 mm,厚度:22 mm。
价格区间:¥0 - ¥0【详情】
后缀列表:【A:接触角 30°】【M:机加工黄铜保持架】
7924AM型角接触球轴承内径为120毫米,外径165毫米,厚度22毫米,属于结构紧凑的薄壁型轴承。该型号采用角接触设计,能够同时承受径向和轴向载荷,适用于中高速运转条件。
其接触角通常为中等角度,在提高轴向刚度的同时兼顾径向承载能力。保持架多采用冲压钢板或工程塑料材质,有助于减少摩擦和温升。该型号常见于普通精度等级(如P0、P6或P5级),可满足一般工业场景对精度和稳定性的需求。
典型应用包括中型电机、泵类设备、传动系统及通用机械中的支撑结构。安装时需注意调整预紧力,以保证载荷分布均匀。在使用中需配合适当的润滑与防护措施,以延长使用寿命并维持性能稳定性。
7
9
2
4
A
M
7:角接触球轴承
9:尺寸系列:超轻 19 系列
24:内径:120 mm
A:接触角 30°
M:机加工黄铜保持架
7:
角接触球轴承
9:
尺寸系列:超轻 19 系列
24:
内径:120 mm
A:
接触角 30°
M:
机加工黄铜保持架
公称型号(按保持器区分) | ||
冲压钢 | ||
尼龙 | 7924ATN | |
车削铜 | 7924AM | |
主要尺寸(mm) | ||
内径 | d | 120 |
外径 | D | 165 |
厚度 | B | 22 |
r(min) | 1.1 | |
r1(min) | 0.6 | |
接触角 | ||
α(度) | 30° | |
额定载荷(KN) | ||
动载荷 | Cr(单列) | 61 |
基本额定静载荷 | Cor(单列) | 69.5 |
系数 | ||
f0 | — | |
限制速度(rpm) | ||
脂润滑 | ||
油润滑 | ||
载荷中心(mm) | ||
a(单列) | 52 | |
安装尺寸(mm) | ||
da(min) | 127 | |
Da(max) | 158 | |
ra(max) | 1 | |
db(min) | ||
Db(max) | ||
rb(max) | 0.6 | |
重量(kg) | ||
单列 | 1.66 |

商品 | 品牌 | 主要尺寸 | 发货仓 | 产地 | 库存 | 含税单价 | VIP价 | 操作 |