产品分类

7920AM轴承
类型:【角接触球轴承 - 角接触球轴承】
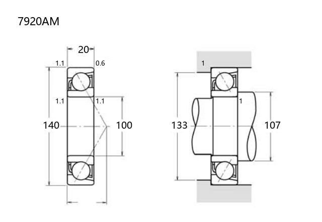
基本尺寸:内径:100 mm,外径:140 mm,厚度:20 mm。
价格区间:¥0 - ¥0【详情】
后缀列表:【A:接触角 30°】【M:机加工黄铜保持架】
7920AM角接触球轴承内径为100毫米,外径为140毫米,厚度20毫米,属于角接触球轴承类别中的常见型号。该轴承设计用于承受径向和轴向联合载荷,适用于中高速运转条件。其接触角结构有助于提升刚性,常见于需要一定精度和负荷能力的应用场景。
该型号通常采用普通级制造标准,涵盖P0、P6或P5等级别,可满足不同工况下的精度需求。7920AM轴承适用于各类工业设备,如电机、泵、传动系统及通用机械中,能够在中等负荷和转速下稳定运行。其尺寸设计便于安装与维护,在多种配置中可单独或配对使用。
需要注意的是,具体性能会受到润滑条件、安装方式及工作环境的影响。用户应根据实际应用需求选择适配的精度等级和配置方案,以确保设备运行的可靠性与耐久性。
7
9
2
0
A
M
7:角接触球轴承
9:尺寸系列:超轻 19 系列
20:内径:100 mm
A:接触角 30°
M:机加工黄铜保持架
7:
角接触球轴承
9:
尺寸系列:超轻 19 系列
20:
内径:100 mm
A:
接触角 30°
M:
机加工黄铜保持架
公称型号(按保持器区分) | ||
冲压钢 | ||
尼龙 | 7920ATN | |
车削铜 | 7920AM | |
主要尺寸(mm) | ||
内径 | d | 100 |
外径 | D | 140 |
厚度 | B | 20 |
r(min) | 1.1 | |
r1(min) | 0.6 | |
接触角 | ||
α(度) | 30° | |
额定载荷(KN) | ||
动载荷 | Cr(单列) | 48 |
基本额定静载荷 | Cor(单列) | 52.5 |
系数 | ||
f0 | — | |
限制速度(rpm) | ||
脂润滑 | ||
油润滑 | ||
载荷中心(mm) | ||
a(单列) | 44.5 | |
安装尺寸(mm) | ||
da(min) | 107 | |
Da(max) | 133 | |
ra(max) | 1 | |
db(min) | ||
Db(max) | ||
rb(max) | 0.6 | |
重量(kg) | ||
单列 | 0.93 |

商品 | 品牌 | 主要尺寸 | 发货仓 | 产地 | 库存 | 含税单价 | VIP价 | 操作 |