产品分类

7919ACTN轴承
类型:【角接触球轴承 - 角接触球轴承】
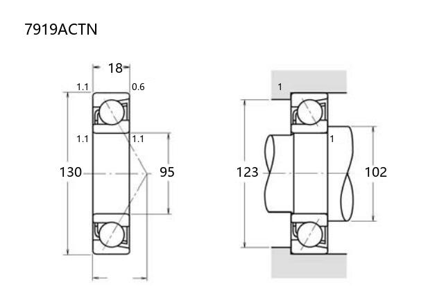
基本尺寸:内径:95 mm,外径:130 mm,厚度:18 mm。
价格区间:¥0 - ¥0【详情】
后缀列表:【AC:接触角 25°】【TN:尼龙聚酰胺树脂保持架】
7919ACTN属于角接触球轴承,内径为95毫米,外径130毫米,厚度18毫米。该型号设计用于承受径向和轴向联合载荷,接触角优化了轴向负荷能力,适用于较高转速场合。其结构包含实体黄铜保持架,有助于稳定运转并延长使用寿命。
该轴承为普通精度等级,常见于工业传动系统、中型电机或泵类设备等场景。安装时需注意调整预紧力,以确保性能并减少运行中的温升。维护中应定期检查润滑状况,避免污染以保持精度。
角接触球轴承多成对使用以提高刚性,但7919ACTN作为单列设计,在空间受限的应用中提供了一种紧凑解决方案。选型时需结合具体工况参数,如负荷大小与方向、转速范围及环境条件等,以确保兼容性与可靠性。
7
9
1
9
A
C
T
N
7:角接触球轴承
9:尺寸系列:超轻 19 系列
19:内径:95 mm
AC:接触角 25°
TN:尼龙聚酰胺树脂保持架
7:
角接触球轴承
9:
尺寸系列:超轻 19 系列
19:
内径:95 mm
AC:
接触角 25°
TN:
尼龙聚酰胺树脂保持架
公称型号(按保持器区分) | ||
冲压钢 | ||
尼龙 | 7919ACTN | |
车削铜 | ||
主要尺寸(mm) | ||
内径 | d | 95 |
外径 | D | 130 |
厚度 | B | 18 |
r(min) | 1.1 | |
r1(min) | 0.6 | |
接触角 | ||
α(度) | 25° | |
额定载荷(KN) | ||
动载荷 | Cr(单列) | 40 |
基本额定静载荷 | Cor(单列) | 45.5 |
系数 | ||
f0 | — | |
限制速度(rpm) | ||
脂润滑 | 6000 | |
油润滑 | 8500 | |
载荷中心(mm) | ||
a(单列) | 35.2 | |
安装尺寸(mm) | ||
da(min) | 102 | |
Da(max) | 123 | |
ra(max) | 1 | |
db(min) | — | |
Db(max) | 125 | |
rb(max) | 0.6 | |
重量(kg) | ||
单列 | 0.597 |

商品 | 品牌 | 主要尺寸 | 发货仓 | 产地 | 库存 | 含税单价 | VIP价 | 操作 |