产品分类

7884AM轴承
类型:【角接触球轴承 - 角接触球轴承】
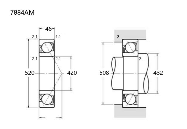
基本尺寸:内径:420 mm,外径:520 mm,厚度:46 mm。
价格区间:¥0 - ¥0【详情】
后缀列表:【A:接触角 30°】【M:实体黄铜保持架】
7884AM角接触球轴承的内径为420毫米,外径520毫米,厚度46毫米。该轴承属于角接触球轴承类别,设计用于同时承受径向和轴向载荷,常见于中等转速及较高精度要求的应用场景。其接触角特性有助于提升轴向刚性,适用于需要一定轴向支撑的配置。
该型号通常采用单列设计,具有普通级精度,可满足P0、P6或P5等级的工况需求。这类轴承在工业设备中较为常见,例如大型电机、传动系统或中型机械旋转部件。其尺寸规格适用于内圈与外圈需过盈配合的安装方式。
材质多采用铬钢或等效合金钢,经热处理以提高耐用性和抗疲劳性能。保持架可能由冲压钢或实体黄铜制成,具体设计因制造商而异。使用时需注意润滑条件与负荷匹配,以避免过早失效。此类轴承在常规工业环境中表现稳定,但实际性能需结合具体工况及维护条件综合评估。
7
8
8
4
A
M
7:角接触球轴承
8:尺寸系列:超轻 18 系列
84:内径:420 mm
A:接触角 30°
M:实体黄铜保持架
7:
角接触球轴承
8:
尺寸系列:超轻 18 系列
84:
内径:420 mm
A:
接触角 30°
M:
实体黄铜保持架
公称型号(按保持器区分) | ||
冲压钢 | ||
尼龙 | 7884ATN | |
车削铜 | 7884AM | |
主要尺寸(mm) | ||
内径 | d | 420 |
外径 | D | 520 |
厚度 | B | 46 |
r(min) | 2.1 | |
r1(min) | 1.1 | |
接触角 | ||
α(度) | 30° | |
额定载荷(KN) | ||
动载荷 | Cr(单列) | 310 |
基本额定静载荷 | Cor(单列) | 555 |
系数 | ||
f0 | — | |
限制速度(rpm) | ||
脂润滑 | ||
油润滑 | ||
载荷中心(mm) | ||
a(单列) | 158.5 | |
安装尺寸(mm) | ||
da(min) | 432 | |
Da(max) | 508 | |
ra(max) | 2 | |
db(min) | ||
Db(max) | ||
rb(max) | 1 | |
重量(kg) | ||
单列 | 21.1 |

商品 | 品牌 | 主要尺寸 | 发货仓 | 产地 | 库存 | 含税单价 | VIP价 | 操作 |