产品分类

7876AM轴承
类型:【角接触球轴承 - 角接触球轴承】
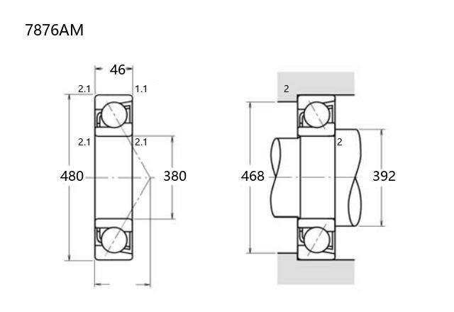
基本尺寸:内径:380 mm,外径:480 mm,厚度:46 mm。
价格区间:¥0 - ¥0【详情】
后缀列表:【A:接触角 30°】【M:实体黄铜保持架】
7876AM角接触球轴承的内径为380毫米,外径480毫米,厚度46毫米,属于中大型轴承规格。该型号采用角接触设计,能够同时承受径向和轴向载荷,适用于复合受力场合。其接触角结构有助于提升刚性及运行精度,常见于中等转速场景。
该轴承属于普通精度等级,涵盖P0、P6或P5级,可满足不同工况对旋转精度和运行稳定性的基本需求。这类轴承通常用于工业传动设备、大型电机或通用机械领域,在支撑和传动系统中发挥作用。由于其尺寸较大,在安装时需注意配合公差和润滑条件,以保障使用寿命。
角接触球轴承的结构特点使得它在需要控制轴向位移的场合具有一定的适应性。用户可根据实际负载、转速及精度要求选择合适的精度等级和配置方式。在使用过程中建议遵循设备制造商的维护指引,以确保性能表现。
7
8
7
6
A
M
7:角接触球轴承
8:尺寸系列:超轻 18 系列
76:内径:380 mm
A:接触角 30°
M:实体黄铜保持架
7:
角接触球轴承
8:
尺寸系列:超轻 18 系列
76:
内径:380 mm
A:
接触角 30°
M:
实体黄铜保持架
公称型号(按保持器区分) | ||
冲压钢 | ||
尼龙 | 7876ATN | |
车削铜 | 7876AM | |
主要尺寸(mm) | ||
内径 | d | 380 |
外径 | D | 480 |
厚度 | B | 46 |
r(min) | 2.1 | |
r1(min) | 1.1 | |
接触角 | ||
α(度) | 30° | |
额定载荷(KN) | ||
动载荷 | Cr(单列) | 281 |
基本额定静载荷 | Cor(单列) | 475 |
系数 | ||
f0 | — | |
限制速度(rpm) | ||
脂润滑 | ||
油润滑 | ||
载荷中心(mm) | ||
a(单列) | 147 | |
安装尺寸(mm) | ||
da(min) | 392 | |
Da(max) | 468 | |
ra(max) | 2 | |
db(min) | ||
Db(max) | ||
rb(max) | 1 | |
重量(kg) | ||
单列 | 19.5 |

商品 | 品牌 | 主要尺寸 | 发货仓 | 产地 | 库存 | 含税单价 | VIP价 | 操作 |