产品分类

7872BM轴承
类型:【角接触球轴承 - 角接触球轴承】
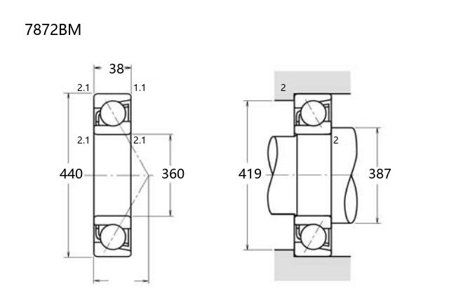
基本尺寸:内径:360 mm,外径:440 mm,厚度:38 mm。
价格区间:¥0 - ¥0【详情】
后缀列表:【B:接触角 40°】【M:实体黄铜保持架】
7872BM型角接触球轴承的内径尺寸为360毫米,外径尺寸为440毫米,厚度为38毫米。该轴承属于角接触球轴承类别,采用常见的接触角设计,能够同时承受径向和轴向载荷。其结构特点允许在较高转速下稳定运行,适用于中等负荷的应用场景。
该型号轴承通常采用实体套圈和钢球结构,具备一定的刚性和耐磨性。在制造过程中可按照不同精度等级如P0、P6或P5级进行生产,以满足不同工况对旋转精度和运行平稳性的要求。这类轴承常见于工业传动装置、中型机械设备及某些专用旋转支撑部位。
使用时需注意配合适当的润滑方式和安装调节,以发挥其性能特点。轴承的实际性能会受到工作环境、配合零件精度及维护条件等因素的影响。在选型过程中建议结合具体应用需求进行综合评估。
7
8
7
2
B
M
7:角接触球轴承
8:尺寸系列:超轻 18 系列
72:内径:360 mm
B:接触角 40°
M:实体黄铜保持架
7:
角接触球轴承
8:
尺寸系列:超轻 18 系列
72:
内径:360 mm
B:
接触角 40°
M:
实体黄铜保持架
公称型号(按保持器区分) | ||
冲压钢 | ||
尼龙 | 7872BTN | |
车削铜 | 7872BM | |
主要尺寸(mm) | ||
内径 | d | 360 |
外径 | D | 440 |
厚度 | B | 38 |
r(min) | 2.1 | |
r1(min) | 1.1 | |
接触角 | ||
α(度) | 40° | |
额定载荷(KN) | ||
动载荷 | Cr(单列) | 194 |
基本额定静载荷 | Cor(单列) | 340 |
系数 | ||
f0 | — | |
限制速度(rpm) | ||
脂润滑 | ||
油润滑 | ||
载荷中心(mm) | ||
a(单列) | 186.8 | |
安装尺寸(mm) | ||
da(min) | 387 | |
Da(max) | 419 | |
ra(max) | 2 | |
db(min) | — | |
Db(max) | 424 | |
rb(max) | 1 | |
重量(kg) | ||
单列 | 11.7 |

商品 | 品牌 | 主要尺寸 | 发货仓 | 产地 | 库存 | 含税单价 | VIP价 | 操作 |