产品分类

7864AM轴承
类型:【角接触球轴承 - 角接触球轴承】
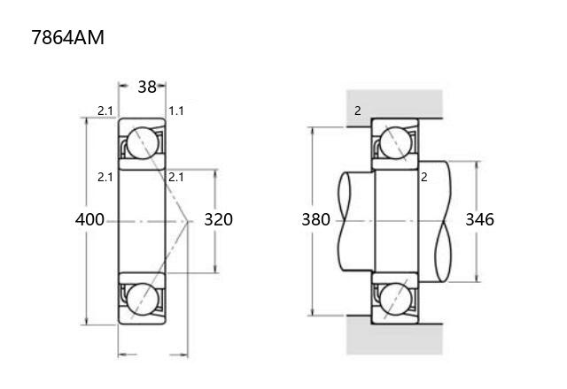
基本尺寸:内径:320 mm,外径:400 mm,厚度:38 mm。
价格区间:¥0 - ¥0【详情】
后缀列表:【A:接触角 30°】【M:实体黄铜保持架】
7864AM角接触球轴承的内径为320毫米,外径400毫米,厚度38毫米,属于普通精度等级产品,可满足P0、P6或P5级别的应用需求。该轴承结构采用角接触设计,能够同时承受径向和轴向载荷,适用于中等转速和负荷工况。
其接触角的设计使轴承在安装时需注意方向性,通常需成对使用以提高系统刚性。这类轴承常见于工业传动设备、中型机械主轴及某些精密旋转机构中,具有较好的运行稳定性和使用寿命。
用户在选型时应根据实际负荷、转速及精度要求进行校验,同时需配合适当的润滑和安装方式。该型号轴承为通用工业级产品,适用范围较广,但具体性能需结合实际工况进一步评估。
7
8
6
4
A
M
7:角接触球轴承
8:尺寸系列:超轻 18 系列
64:内径:320 mm
A:接触角 30°
M:实体黄铜保持架
7:
角接触球轴承
8:
尺寸系列:超轻 18 系列
64:
内径:320 mm
A:
接触角 30°
M:
实体黄铜保持架
公称型号(按保持器区分) | ||
冲压钢 | ||
尼龙 | 7864ATN | |
车削铜 | 7864AM | |
主要尺寸(mm) | ||
内径 | d | 320 |
外径 | D | 400 |
厚度 | B | 38 |
r(min) | 2.1 | |
r1(min) | 1.1 | |
接触角 | ||
α(度) | 30° | |
额定载荷(KN) | ||
动载荷 | Cr(单列) | 190 |
基本额定静载荷 | Cor(单列) | 315 |
系数 | ||
f0 | — | |
限制速度(rpm) | ||
脂润滑 | ||
油润滑 | ||
载荷中心(mm) | ||
a(单列) | 122.9 | |
安装尺寸(mm) | ||
da(min) | 346 | |
Da(max) | 380 | |
ra(max) | 2 | |
db(min) | — | |
Db(max) | 385 | |
rb(max) | 1 | |
重量(kg) | ||
单列 | 10.5 |

商品 | 品牌 | 主要尺寸 | 发货仓 | 产地 | 库存 | 含税单价 | VIP价 | 操作 |