产品分类

7852AM轴承
类型:【角接触球轴承 - 角接触球轴承】
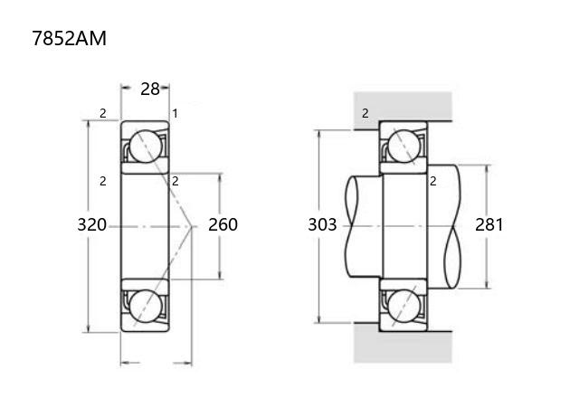
基本尺寸:内径:260 mm,外径:320 mm,厚度:28 mm。
价格区间:¥0 - ¥0【详情】
后缀列表:【A:接触角 30°】【M:实体黄铜保持架】
7852AM角接触球轴承内径260mm,外径320mm,厚度28mm,属于中小型尺寸规格。该轴承采用角接触设计,可同时承受径向和轴向载荷,适用于较高转速工况。其接触角经过优化,能提供稳定的刚性支撑,常见于普通精度等级(如P0、P6或P5级),可满足多数工业场景的基础需求。
此类轴承多用于传动系统、电机主轴或中等负载的旋转机构中,其结构紧凑,安装方式灵活。由于采用开放式设计,便于润滑维护,但需注意使用时的配合精度和安装预紧力调整,以确保性能发挥。在选型时需结合具体工况条件,综合考虑负载类型、转速范围及环境要求等因素。
7
8
5
2
A
M
7:角接触球轴承
8:尺寸系列:超轻 18 系列
52:内径:260 mm
A:接触角 30°
M:实体黄铜保持架
7:
角接触球轴承
8:
尺寸系列:超轻 18 系列
52:
内径:260 mm
A:
接触角 30°
M:
实体黄铜保持架
公称型号(按保持器区分) | ||
冲压钢 | ||
尼龙 | 7852ATN | |
车削铜 | 7852AM | |
主要尺寸(mm) | ||
内径 | d | 260 |
外径 | D | 320 |
厚度 | B | 28 |
r(min) | 2 | |
r1(min) | 1 | |
接触角 | ||
α(度) | 30° | |
额定载荷(KN) | ||
动载荷 | Cr(单列) | 114 |
基本额定静载荷 | Cor(单列) | 191 |
系数 | ||
f0 | — | |
限制速度(rpm) | ||
脂润滑 | ||
油润滑 | ||
载荷中心(mm) | ||
a(单列) | 97.7 | |
安装尺寸(mm) | ||
da(min) | 281 | |
Da(max) | 303 | |
ra(max) | 2 | |
db(min) | — | |
Db(max) | 307 | |
rb(max) | 1 | |
重量(kg) | ||
单列 | 4.69 |

商品 | 品牌 | 主要尺寸 | 发货仓 | 产地 | 库存 | 含税单价 | VIP价 | 操作 |