产品分类

7848AM轴承
类型:【角接触球轴承 - 角接触球轴承】
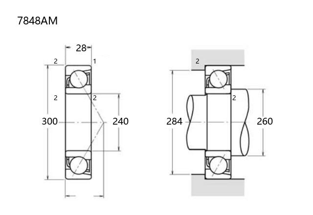
基本尺寸:内径:240 mm,外径:300 mm,厚度:28 mm。
价格区间:¥10650.15 - ¥12993.18【详情】
后缀列表:【A:接触角 30°】【M:实体黄铜保持架】
7848AM型角接触球轴承内径为240毫米,外径300毫米,厚度28毫米。该轴承属于角接触球轴承类别中的单个普通级产品,通常具备P0、P6或P5级别的精度选项。其结构设计能够同时承受径向和轴向载荷,适用于中高速运转条件。
这类轴承常见于工业传动设备、中型机械的旋转支撑部位以及需要较高刚性的应用场景。由于接触角的设计特点,它在承受联合载荷时表现稳定,但具体性能需结合实际工况及配套组件综合评估。
在使用时需注意保持适当的润滑和安装对中精度,以延长使用寿命。轴承的选型应基于负载、转速及环境条件等因素进行综合判断,避免超限运行。7848AM型号可根据需求匹配不同保持架材料或润滑方式,以满足多样化的应用要求。
7
8
4
8
A
M
7:角接触球轴承
8:尺寸系列:超轻 18 系列
48:内径:240 mm
A:接触角 30°
M:实体黄铜保持架
7:
角接触球轴承
8:
尺寸系列:超轻 18 系列
48:
内径:240 mm
A:
接触角 30°
M:
实体黄铜保持架
公称型号(按保持器区分) | ||
冲压钢 | ||
尼龙 | 7848ATN | |
车削铜 | 7848AM | |
主要尺寸(mm) | ||
内径 | d | 240 |
外径 | D | 300 |
厚度 | B | 28 |
r(min) | 2 | |
r1(min) | 1 | |
接触角 | ||
α(度) | 30° | |
额定载荷(KN) | ||
动载荷 | Cr(单列) | 110 |
基本额定静载荷 | Cor(单列) | 176 |
系数 | ||
f0 | — | |
限制速度(rpm) | ||
脂润滑 | ||
油润滑 | ||
载荷中心(mm) | ||
a(单列) | 91.9 | |
安装尺寸(mm) | ||
da(min) | 260 | |
Da(max) | 284 | |
ra(max) | 2 | |
db(min) | — | |
Db(max) | 288 | |
rb(max) | 1 | |
重量(kg) | ||
单列 | 4.35 |

商品 | 品牌 | 主要尺寸 | 发货仓 | 产地 | 库存 | 含税单价 | VIP价 | 操作 |
FAG 71848-MP-P5-UL轴承 单列角接触球轴承 |
FAG | 240 X 300 X 28 | 海外 | 进口产地 | 15 | 12993.18 | ¥10650.15 | |