产品分类

7813BTN轴承
类型:【角接触球轴承 - 角接触球轴承】
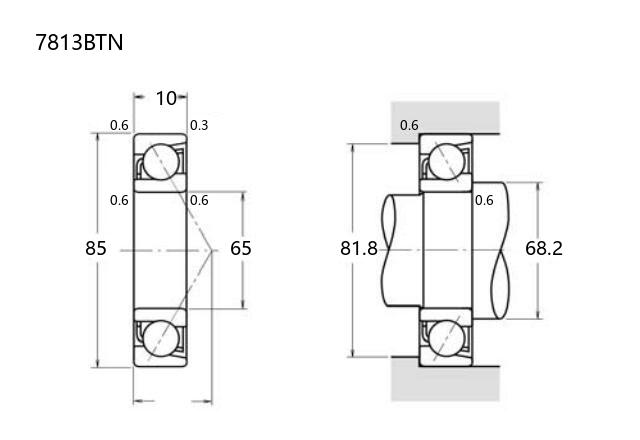
基本尺寸:内径:65 mm,外径:85 mm,厚度:10 mm。
价格区间:¥0 - ¥0【详情】
后缀列表:【B:接触角 40°】【TN:聚酰胺树脂(尼龙)保持架】
7813BTN型轴承属于角接触球轴承类别,其基本尺寸为内径65mm、外径85mm、厚度10mm。该型号设计适用于承受径向和轴向联合载荷,接触角的设计使其在高速运转条件下具有较好的刚性及稳定性。
该轴承采用普通精度等级制造,涵盖P0、P6或P5等级别,可满足大多数工业应用对精度和性能的基本需求。其结构特点包括实体黄铜保持架及常用的钢球材料,适用于中等转速及载荷工况。
在应用方面,7813BTN常见于电机、泵类设备、传动系统及小型机床主轴等场合。安装时需注意角接触轴承通常需成对使用以更好地分配载荷,保证系统运行的平稳性。用户在选型时需结合具体工况条件综合考虑载荷、转速及精度要求进行判断。
7
8
1
3
B
T
N
7:角接触球轴承
8:尺寸系列:超轻 18 系列
13:内径:65 mm
B:接触角 40°
TN:聚酰胺树脂(尼龙)保持架
7:
角接触球轴承
8:
尺寸系列:超轻 18 系列
13:
内径:65 mm
B:
接触角 40°
TN:
聚酰胺树脂(尼龙)保持架
公称型号(按保持器区分) | ||
冲压钢 | ||
尼龙 | 7813BTN | |
车削铜 | ||
主要尺寸(mm) | ||
内径 | d | 65 |
外径 | D | 85 |
厚度 | B | 10 |
r(min) | 0.6 | |
r1(min) | 0.3 | |
接触角 | ||
α(度) | 40° | |
额定载荷(KN) | ||
动载荷 | Cr(单列) | 15.3 |
基本额定静载荷 | Cor(单列) | 16 |
系数 | ||
f0 | ||
限制速度(rpm) | ||
脂润滑 | 7500 | |
油润滑 | ||
载荷中心(mm) | ||
a(单列) | 36.5 | |
安装尺寸(mm) | ||
da(min) | 68.2 | |
Da(max) | 81.8 | |
ra(max) | 0.6 | |
db(min) | ||
Db(max) | 83 | |
rb(max) | 0.3 | |
重量(kg) | ||
单列 | 0.085 |

商品 | 品牌 | 主要尺寸 | 发货仓 | 产地 | 库存 | 含税单价 | VIP价 | 操作 |