产品分类

7812BTN轴承
类型:【角接触球轴承 - 角接触球轴承】
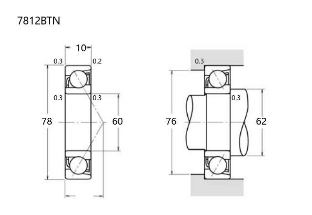
基本尺寸:内径:60 mm,外径:78 mm,厚度:10 mm。
价格区间:¥0 - ¥0【详情】
后缀列表:【B:接触角 40°】【TN:聚酰胺树脂(尼龙)保持架】
7812BTN型轴承属于角接触球轴承系列,其基本尺寸为内径60mm、外径78mm、厚度10mm,符合公制标准。该型号为普通精度等级产品,适用于中等载荷和转速场合。角接触球轴承的设计使其能够同时承受径向和轴向联合载荷,接触角的设计优化了轴向负荷能力。
该轴承结构紧凑,适用于空间受限的安装环境,常见于精密机械、小型电机或传动系统中。其内外圈滚道与钢球的接触角提供了稳定的运行性能,适用于中等转速条件下的旋转支撑。在安装时需注意角接触轴承通常需配对使用或施加预紧力,以保证负荷分布的均匀性。
制造材料通常采用高碳铬钢,经热处理后具备良好的耐磨性和疲劳寿命。该型号轴承在常规工作环境下表现稳定,但需根据实际工况选择合适的润滑方式和防护措施。用户在选择时应结合负荷类型、转速要求及安装条件进行综合评估,以确保系统运行的可靠性。
7
8
1
2
B
T
N
7:角接触球轴承
8:尺寸系列:超轻 18 系列
12:内径:60 mm
B:接触角 40°
TN:聚酰胺树脂(尼龙)保持架
7:
角接触球轴承
8:
尺寸系列:超轻 18 系列
12:
内径:60 mm
B:
接触角 40°
TN:
聚酰胺树脂(尼龙)保持架
公称型号(按保持器区分) | ||
冲压钢 | ||
尼龙 | 7812BTN | |
车削铜 | ||
主要尺寸(mm) | ||
内径 | d | 60 |
外径 | D | 78 |
厚度 | B | 10 |
r(min) | 0.3 | |
r1(min) | 0.2 | |
接触角 | ||
α(度) | 40° | |
额定载荷(KN) | ||
动载荷 | Cr(单列) | 12.2 |
基本额定静载荷 | Cor(单列) | 12.9 |
系数 | ||
f0 | ||
限制速度(rpm) | ||
脂润滑 | 8000 | |
油润滑 | ||
载荷中心(mm) | ||
a(单列) | 33.9 | |
安装尺寸(mm) | ||
da(min) | 62 | |
Da(max) | 76 | |
ra(max) | 0.3 | |
db(min) | ||
Db(max) | 76.6 | |
rb(max) | 0.2 | |
重量(kg) | ||
单列 | 0.07 |

商品 | 品牌 | 主要尺寸 | 发货仓 | 产地 | 库存 | 含税单价 | VIP价 | 操作 |