产品分类

78/950AM轴承
类型:【角接触球轴承 - 角接触球轴承】
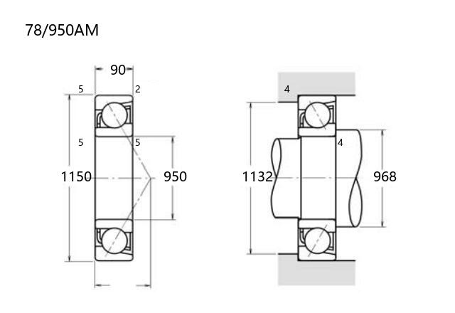
基本尺寸:内径:950 mm,外径:1150 mm,厚度:90 mm。
价格区间:¥0 - ¥0【详情】
后缀列表:【A:接触角 30°】【M:实体黄铜保持架】
78/950AM角接触球轴承的内径为950毫米,外径1150毫米,厚度90毫米,属于大型滚动轴承范畴。该型号设计用于承受径向和轴向联合载荷,其接触角特性使得它在高转速工况下具备较好的稳定性。作为P0级或P6、P5级普通精度产品,它可满足中等载荷和一般精度要求的应用场景。
此类轴承通常适用于重型机械、大型传动系统或工业回转装置,例如大型齿轮箱、转台结构或某些专用设备中的支撑部件。在安装时需注意保持适当的预紧力和对中精度,以优化载荷分布并延长使用寿命。润滑条件与运行环境需根据实际工况选择,常规环境下脂润滑或油润滑均可适用。
由于尺寸较大,用户在选型时需综合考虑结构空间、负载特性及运行条件等因素。该型号轴承在符合设计规范的前提下,能够提供可靠的旋转支撑功能。
7
8
/
9
5
0
A
M
7:角接触球轴承
8:尺寸系列:超轻 18 系列
/:分隔符
950:公称内径:950 mm
A:接触角 30°
M:实体黄铜保持架
7:
角接触球轴承
8:
尺寸系列:超轻 18 系列
/:
分隔符
950:
公称内径:950 mm
A:
接触角 30°
M:
实体黄铜保持架
公称型号(按保持器区分) | ||
冲压钢 | ||
尼龙 | ||
车削铜 | 78/950AM | |
主要尺寸(mm) | ||
内径 | d | 950 |
外径 | D | 1150 |
厚度 | B | 90 |
r(min) | 5 | |
r1(min) | 2 | |
接触角 | ||
α(度) | 30° | |
额定载荷(KN) | ||
动载荷 | Cr(单列) | 830 |
基本额定静载荷 | Cor(单列) | 2430 |
系数 | ||
f0 | ||
限制速度(rpm) | ||
脂润滑 | 360 | |
油润滑 | 740 | |
载荷中心(mm) | ||
a(单列) | 348 | |
安装尺寸(mm) | ||
da(min) | 968 | |
Da(max) | 1132 | |
ra(max) | 4 | |
db(min) | ||
Db(max) | 1141.2 | |
rb(max) | 2 | |
重量(kg) | ||
单列 | 168 |

商品 | 品牌 | 主要尺寸 | 发货仓 | 产地 | 库存 | 含税单价 | VIP价 | 操作 |