产品分类

78/850AM轴承
类型:【角接触球轴承 - 角接触球轴承】
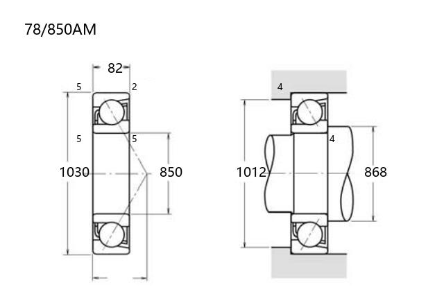
基本尺寸:内径:850 mm,外径:1030 mm,厚度:82 mm。
价格区间:¥0 - ¥0【详情】
后缀列表:【A:接触角 30°】【M:实体黄铜保持架】
78/850AM角接触球轴承内径为850毫米,外径1030毫米,厚度82毫米,属于大中型角接触球轴承系列。该型号适用于承受径向和轴向联合载荷的场合,通常以较高的接触角设计提供轴向支撑能力。其结构特点包括实心外圈、内圈及球和保持架组件,能够在较高转速下稳定运行。
该轴承符合普通精度等级要求,适用于一般工业环境,常见于重型机械设备、大型传动系统或具有一定轴向负载需求的支撑结构中。安装时需注意调整预紧力,以保证合适的游隙和运行精度。由于尺寸较大,在实际应用中需配合适当的润滑和密封设计,以延长使用寿命。
维护时应定期检查磨损情况,并根据实际工况选择润滑脂或油润滑方式。该型号轴承不适用于极高精度或极端环境,但能够满足多数常规负载条件下的运行需求。
7
8
/
8
5
0
A
M
7:角接触球轴承
8:尺寸系列:超轻 18 系列
/:分隔符
850:公称内径:850 mm
A:接触角 30°
M:实体黄铜保持架
7:
角接触球轴承
8:
尺寸系列:超轻 18 系列
/:
分隔符
850:
公称内径:850 mm
A:
接触角 30°
M:
实体黄铜保持架
公称型号(按保持器区分) | ||
冲压钢 | ||
尼龙 | ||
车削铜 | 78/850AM | |
主要尺寸(mm) | ||
内径 | d | 850 |
外径 | D | 1030 |
厚度 | B | 82 |
r(min) | 5 | |
r1(min) | 2 | |
接触角 | ||
α(度) | 30° | |
额定载荷(KN) | ||
动载荷 | Cr(单列) | 710 |
基本额定静载荷 | Cor(单列) | 1940 |
系数 | ||
f0 | ||
限制速度(rpm) | ||
脂润滑 | 415 | |
油润滑 | 830 | |
载荷中心(mm) | ||
a(单列) | 312 | |
安装尺寸(mm) | ||
da(min) | 868 | |
Da(max) | 1012 | |
ra(max) | 4 | |
db(min) | ||
Db(max) | 1021.2 | |
rb(max) | 2 | |
重量(kg) | ||
单列 | 123 |

商品 | 品牌 | 主要尺寸 | 发货仓 | 产地 | 库存 | 含税单价 | VIP价 | 操作 |