产品分类

78/530AM轴承
类型:【角接触球轴承 - 角接触球轴承】
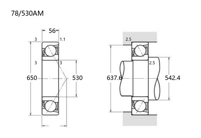
基本尺寸:内径:530 mm,外径:650 mm,厚度:56 mm。
价格区间:¥0 - ¥0【详情】
后缀列表:【A:接触角 30°】【M:实体黄铜保持架】
78/530AM角接触球轴承的内径为530mm,外径为650mm,厚度为56mm,属于中型尺寸轴承。该型号适用于中等载荷和较高转速的工况,常见于工业传动设备或重型机械中。角接触球轴承的设计使其能够承受径向和轴向联合载荷,接触角的选择影响其载荷分配特性。该轴承通常采用普通级精度,如P0、P6或P5级,适用于对运动精度要求一般的场合。制造材料多为高碳铬轴承钢,具有一定的耐磨性和疲劳寿命。安装时需注意调整预紧力,以确保运行平稳性。维护中应定期检查润滑状态,避免杂质侵入。此类轴承在多类旋转支撑结构中均有应用,但具体选用需结合实际工况参数综合评估。
7
8
/
5
3
0
A
M
7:角接触球轴承
8:尺寸系列:超轻 18 系列
/:分隔符
530:公称内径:530 mm
A:接触角 30°
M:实体黄铜保持架
7:
角接触球轴承
8:
尺寸系列:超轻 18 系列
/:
分隔符
530:
公称内径:530 mm
A:
接触角 30°
M:
实体黄铜保持架
公称型号(按保持器区分) | ||
冲压钢 | ||
尼龙 | ||
车削铜 | 78/530AM | |
主要尺寸(mm) | ||
内径 | d | 530 |
外径 | D | 650 |
厚度 | B | 56 |
r(min) | 3 | |
r1(min) | 1.1 | |
接触角 | ||
α(度) | 30° | |
额定载荷(KN) | ||
动载荷 | Cr(单列) | 405 |
基本额定静载荷 | Cor(单列) | 840 |
系数 | ||
f0 | ||
限制速度(rpm) | ||
脂润滑 | 730 | |
油润滑 | 1360 | |
载荷中心(mm) | ||
a(单列) | 198 | |
安装尺寸(mm) | ||
da(min) | 542.4 | |
Da(max) | 637.6 | |
ra(max) | 2.5 | |
db(min) | ||
Db(max) | 644 | |
rb(max) | 1 | |
重量(kg) | ||
单列 | 37.2 |

商品 | 品牌 | 主要尺寸 | 发货仓 | 产地 | 库存 | 含税单价 | VIP价 | 操作 |