产品分类
7417AM轴承
更新日期:
类型:【角接触球轴承 - 角接触球轴承】
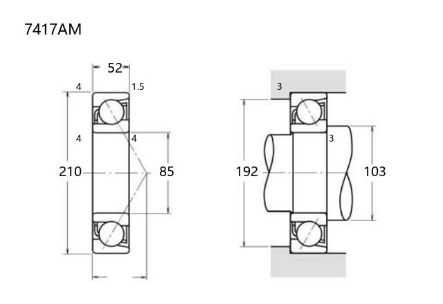
基本尺寸:内径:85 mm,外径:210 mm,厚度:52 mm。
价格区间:¥0 - ¥0【详情】
后缀列表:【A:接触角 30°】【M:实体黄铜保持架】
7417AM型号轴承属于角接触球轴承,其基本尺寸为内径85毫米、外径210毫米、厚度52毫米。该轴承设计适用于同时承受径向和轴向负荷的工况,接触角结构有助于提升轴向载荷能力。
该型号归类为普通精度等级,常见精度级别包括P0、P6或P5级,能够满足一般工业场景下的使用需求。此类轴承多用于中等转速及载荷条件,常见于传动系统、电机设备或泵类机械中。由于其结构特点,安装时需注意轴向预紧及配对配置要求。
制造材料通常采用高碳铬钢,经热处理后具备一定的耐磨性和疲劳强度。在使用过程中需配合适当的润滑与维护,以延长轴承寿命并保持运行稳定性。应用时建议参考具体工况条件及设备制造商的指导说明。
7
4
1
7
A
M
7:角接触球轴承
4:尺寸系列:重窄 04 系列
17:内径:85 mm
A:接触角 30°
M:实体黄铜保持架
7:
角接触球轴承
4:
尺寸系列:重窄 04 系列
17:
内径:85 mm
A:
接触角 30°
M:
实体黄铜保持架
| 公称型号(按保持器区分) | ||
| 品牌:CALOX | 冲压钢 | 7417AW |
| 尼龙 | 7417ATN | |
| 车削铜 | 7417AM | |
| 主要尺寸(mm) | ||
| 内径 | d | 85 |
| 外径 | D | 210 |
| 厚度 | B![]() |
52 |
| 高可实测 | r(min) | 4 |
| r1(min) | 1.5 | |
| 接触角 | ||
α(度)![]() |
30° | |
| 额定载荷(KN) | ||
| 动载荷 | Cr(单列) | 204 |
| 基本额定静载荷 | Cor(单列) | 180 |
| 系数 | ||
| f0 | — | |
| 限制速度(rpm) | ||
| 高可计算 | 脂润滑 | 3000 |
| 油润滑 | 3900 | |
| 载荷中心(mm) | ||
| a(单列) | 68.7 | |
| 安装尺寸(mm) | ||
| 高可实测 | da(min) | 103 |
| Da(max) | 192 | |
| ra(max) | 3 | |
| db(min) | ||
| Db(max) | ||
| rb(max) | ||
| 重量(kg) | ||
| 单列 | 8.54 | |
点击获取3D图
下载中 {{percentComplete}}%
| 商品 | 品牌 | 主要尺寸 | 发货仓 | 产地 | 库存 | 含税单价 | VIP价 | 操作 |

.jpg)