产品分类

7411BM轴承
类型:【角接触球轴承 - 角接触球轴承】
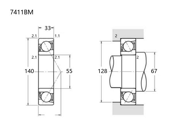
基本尺寸:内径:55 mm,外径:140 mm,厚度:33 mm。
价格区间:¥ - ¥7190.97【详情】
后缀列表:【B:接触角 40°】【M:机加工黄铜保持架】
7411BM属于角接触球轴承系列,其内径为55毫米,外径为140毫米,厚度为33毫米。该轴承采用常见的P0、P6或P5精度等级,适用于一般工业应用场景。角接触球轴承能够同时承受径向和轴向载荷,接触角设计使其具备较好的高速运转性能。
在结构上,7411BM采用单列设计,安装时需注意方向性,通常成对使用以提升系统刚性。它常见于中等载荷和转速的场合,例如机床主轴、泵类设备或传动系统中。材料方面,轴承多采用高碳铬钢,经过适当热处理以提高耐磨性和疲劳寿命。
维护时需确保润滑充分,避免过热或污染,以延长使用寿命。选型时应结合实际工况,考虑载荷类型、转速及环境条件。该型号轴承在通用机械领域有较广泛的应用,但具体性能可能因制造商和工艺差异而略有不同。
7
4
1
1
B
M
7:角接触球轴承
4:尺寸系列:重窄 04 系列
11:内径:55 mm
B:接触角 40°
M:机加工黄铜保持架
7:
角接触球轴承
4:
尺寸系列:重窄 04 系列
11:
内径:55 mm
B:
接触角 40°
M:
机加工黄铜保持架
公称型号(按保持器区分) | ||
冲压钢 | 7411BW | |
尼龙 | 7411BTN | |
车削铜 | 7411BM | |
主要尺寸(mm) | ||
内径 | d | 55 |
外径 | D | 140 |
厚度 | B | 33 |
r(min) | 2.1 | |
r1(min) | 1.1 | |
接触角 | ||
α(度) | 40° | |
额定载荷(KN) | ||
动载荷 | Cr(单列) | 110 |
基本额定静载荷 | Cor(单列) | 76.5 |
系数 | ||
f0 | — | |
限制速度(rpm) | ||
脂润滑 | 4000 | |
油润滑 | 5500 | |
载荷中心(mm) | ||
a(单列) | 57.8 | |
安装尺寸(mm) | ||
da(min) | 67 | |
Da(max) | 128 | |
ra(max) | 2 | |
db(min) | ||
Db(max) | ||
rb(max) | ||
重量(kg) | ||
单列 | 2.36 |

商品 | 品牌 | 主要尺寸 | 发货仓 | 产地 | 库存 | 含税单价 | VIP价 | 操作 |
KOYO 7411B轴承 |
KOYO | 0 | ¥0 | |||||
NSK 7411B轴承 单列角接触球轴承 |
NSK | 55 X 140 X 33 | 华东 | 日本 | 4 | 696.78 | ¥544.36 | |
KOYO 7411B FY轴承 角接触球轴承 |
KOYO | 55 X 140 X 33 | 华南 | 1 | 1655.47 | ¥1452.17 | ||
SKF 7411 BM轴承 角接触球轴承 |
SKF | 55 X 140 X 33 | 华南 | 6 | 2741.38 | ¥2158.57 | ||
FAG 7411B.MB轴承 单列角接触球轴承 |
FAG | 55 X 140 X 33 | 华南 | 进口产地 | 1 | 965.54 | ¥832.36 | |
篇幅有限,仅显示五条,更多可点击:搜索,或者:深度搜索 |