产品分类

7410BTN轴承
类型:【角接触球轴承 - 角接触球轴承】
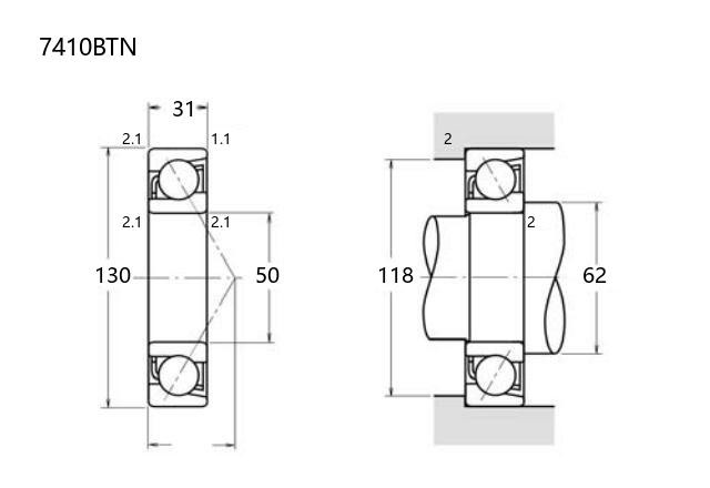
基本尺寸:内径:50 mm,外径:130 mm,厚度:31 mm。
价格区间:¥0 - ¥0【详情】
后缀列表:【B:接触角 40°】【TN:尼龙聚酰胺树脂保持架】
7410BTN属于角接触球轴承系列,其内径为50毫米,外径为130毫米,厚度为31毫米,尺寸设计适用于中等负荷和高转速的应用场景。该轴承采用接触角设计,能够同时承受径向和轴向载荷,常见于需要较高刚性和精度的设备中。
在分类上,7410BTN属于普通精度等级,涵盖P0、P6或P5级别,适用于一般工业条件,如电机、泵类或小型传动系统。其结构特点包括实体套圈和球引导方式,有助于提升运转稳定性和使用寿命。安装时需注意配对使用或预紧调整,以满足不同轴向游隙要求。
该型号轴承选材通常为铬钢,并经过适当热处理,以增强耐磨性和疲劳强度。在应用中,需配合适当的润滑和密封措施,以适应多样工况。用户可根据实际需求,结合载荷、转速及环境因素进行综合选型,确保设备高效运行。
7
4
1
0
B
T
N
7:角接触球轴承
4:尺寸系列:重窄 04 系列
10:内径:50 mm
B:接触角 40°
TN:尼龙聚酰胺树脂保持架
7:
角接触球轴承
4:
尺寸系列:重窄 04 系列
10:
内径:50 mm
B:
接触角 40°
TN:
尼龙聚酰胺树脂保持架
公称型号(按保持器区分) | ||
冲压钢 | 7410BW | |
尼龙 | 7410BTN | |
车削铜 | 7410BM | |
主要尺寸(mm) | ||
内径 | d | 50 |
外径 | D | 130 |
厚度 | B | 31 |
r(min) | 2.1 | |
r1(min) | 1.1 | |
接触角 | ||
α(度) | 40° | |
额定载荷(KN) | ||
动载荷 | Cr(单列) | 90.2 |
基本额定静载荷 | Cor(单列) | 60.4 |
系数 | ||
f0 | — | |
限制速度(rpm) | ||
脂润滑 | 4400 | |
油润滑 | 6000 | |
载荷中心(mm) | ||
a(单列) | 53.5 | |
安装尺寸(mm) | ||
da(min) | 62 | |
Da(max) | 118 | |
ra(max) | 2 | |
db(min) | ||
Db(max) | ||
rb(max) | ||
重量(kg) | ||
单列 | 1.92 |

商品 | 品牌 | 主要尺寸 | 发货仓 | 产地 | 库存 | 含税单价 | VIP价 | 操作 |