产品分类

7407AW轴承
类型:【角接触球轴承 - 角接触球轴承】
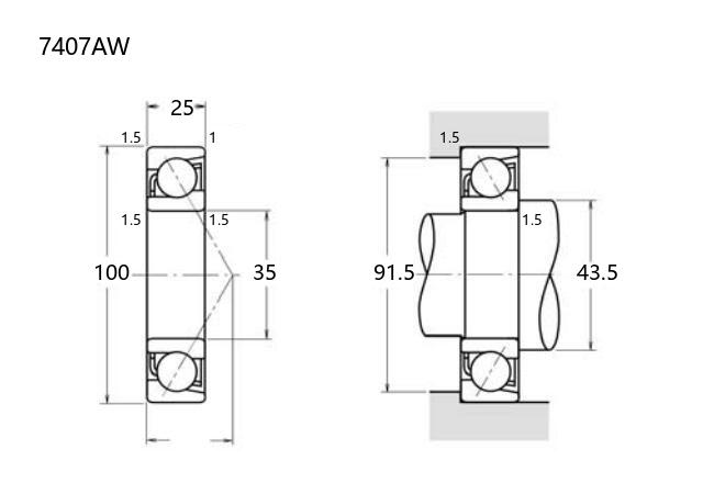
基本尺寸:内径:35 mm,外径:100 mm,厚度:25 mm。
价格区间:¥51.45 - ¥146.46【详情】
后缀列表:【A:接触角 30°】【W:冲压钢板保持架】
7407AW角接触球轴承的内径为35毫米,外径100毫米,厚度25毫米,属于标准尺寸规格。该型号轴承设计用于同时承受径向和轴向载荷,接触角结构优化了负载分布,适用于中高速运转条件。
作为P0级精度产品,其制造符合通用工业标准,平衡了性能与成本,常见于各类传动系统、电机或泵类设备。保持架采用AW型设计,有助于稳定滚动体运动并减少摩擦。
安装时需注意角接触轴承通常需配对使用或根据配置调整预紧力,以确保系统刚性。润滑与维护需按实际工况选择适宜方案,避免过量负载以延长期限。该型号适用范围较广,但具体选用仍应结合负载、转速及环境条件综合评估。
7
4
0
7
A
W
7:角接触球轴承
4:尺寸系列:重窄 04 系列
07:内径:35 mm
A:接触角 30°
W:冲压钢板保持架
7:
角接触球轴承
4:
尺寸系列:重窄 04 系列
07:
内径:35 mm
A:
接触角 30°
W:
冲压钢板保持架
公称型号(按保持器区分) | ||
冲压钢 | 7407AW | |
尼龙 | 7407ATN | |
车削铜 | 7407AM | |
主要尺寸(mm) | ||
内径 | d | 35 |
外径 | D | 100 |
厚度 | B | 25 |
r(min) | 1.5 | |
r1(min) | 1 | |
接触角 | ||
α(度) | 30° | |
额定载荷(KN) | ||
动载荷 | Cr(单列) | 60.4 |
基本额定静载荷 | Cor(单列) | 37 |
系数 | ||
f0 | — | |
限制速度(rpm) | ||
脂润滑 | 6500 | |
油润滑 | 8600 | |
载荷中心(mm) | ||
a(单列) | 32.6 | |
安装尺寸(mm) | ||
da(min) | 43.5 | |
Da(max) | 91.5 | |
ra(max) | 1.5 | |
db(min) | ||
Db(max) | ||
rb(max) | ||
重量(kg) | ||
单列 | 0.95 |

商品 | 品牌 | 主要尺寸 | 发货仓 | 产地 | 库存 | 含税单价 | VIP价 | 操作 |
KOYO 7407轴承 角接触球轴承 |
KOYO | 35 X 100 X 25 | 华南 | 日本 | 1 | 146.46 | ¥126.26 | |
NTN 7407轴承 角接触球 |
NTN | 35 X 100 X 25 | 华南 | 3 | 57.11 | ¥51.45 | ||