产品分类

7407AM轴承
类型:【角接触球轴承 - 角接触球轴承】
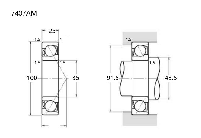
基本尺寸:内径:35 mm,外径:100 mm,厚度:25 mm。
价格区间:¥0 - ¥0【详情】
后缀列表:【A:接触角 30°】【M:实体黄铜保持架】
7407AM型角接触球轴承内径为35毫米,外径100毫米,厚度25毫米,属于角接触球轴承的一种常见型号。该轴承设计采用接触角结构,能够同时承受径向和轴向复合载荷,适用于中等转速及精度要求的应用场景。其内部结构经过优化,具备较好的刚性和运转稳定性。
在制造精度方面,该型号通常符合普通级公差标准,可满足大多数工业设备的常规需求。由于角接触球轴承的特性,这类轴承常被用于齿轮箱、泵类设备及中小型电机等需要双向载荷支持的场合。其尺寸设计兼顾了安装便捷性与空间限制,在保证性能的同时也具备较好的通用性。
需要注意的是,实际使用中需根据具体工况配合适当的润滑方式与安装调整,以确保轴承发挥预期性能。该型号轴承在常规工作环境下表现稳定,但建议在使用前结合设备要求进行综合评估。
7
4
0
7
A
M
7:角接触球轴承
4:尺寸系列:重窄 04 系列
07:内径:35 mm
A:接触角 30°
M:实体黄铜保持架
7:
角接触球轴承
4:
尺寸系列:重窄 04 系列
07:
内径:35 mm
A:
接触角 30°
M:
实体黄铜保持架
公称型号(按保持器区分) | ||
冲压钢 | 7407AW | |
尼龙 | 7407ATN | |
车削铜 | 7407AM | |
主要尺寸(mm) | ||
内径 | d | 35 |
外径 | D | 100 |
厚度 | B | 25 |
r(min) | 1.5 | |
r1(min) | 1 | |
接触角 | ||
α(度) | 30° | |
额定载荷(KN) | ||
动载荷 | Cr(单列) | 60.4 |
基本额定静载荷 | Cor(单列) | 37 |
系数 | ||
f0 | — | |
限制速度(rpm) | ||
脂润滑 | 6500 | |
油润滑 | 8600 | |
载荷中心(mm) | ||
a(单列) | 32.6 | |
安装尺寸(mm) | ||
da(min) | 43.5 | |
Da(max) | 91.5 | |
ra(max) | 1.5 | |
db(min) | ||
Db(max) | ||
rb(max) | ||
重量(kg) | ||
单列 | 0.95 |

商品 | 品牌 | 主要尺寸 | 发货仓 | 产地 | 库存 | 含税单价 | VIP价 | 操作 |