产品分类

7406AW轴承
类型:【角接触球轴承 - 角接触球轴承】
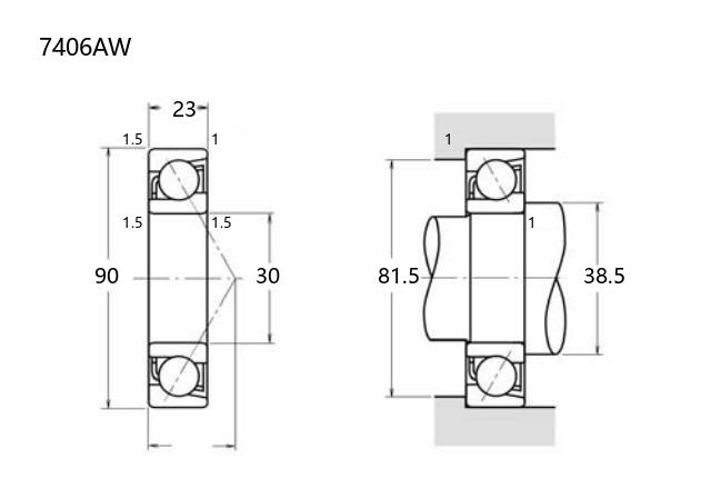
基本尺寸:内径:30 mm,外径:90 mm,厚度:23 mm。
价格区间:¥0 - ¥0【详情】
后缀列表:【A:接触角 30°】【W:冲压钢板保持架】
7406AW属于角接触球轴承,内径为30毫米,外径90毫米,厚度23毫米。该型号适用于承受联合载荷的工况,能够同时支持径向和轴向负荷,常见于需要较高旋转精度的设备中。其设计特点包括非对称滚道和保持架结构,有助于提升运转稳定性。
角接触球轴承通常成对使用以优化载荷分布,但7406AW作为单个单元,适用于空间受限或负荷要求中等的场合。该轴承可提供普通精度等级,如P0、P6或P5级,满足不同工况对游隙和旋转精度的需求。
在应用方面,7406AW多见于中小型电机、泵类设备或传动系统中,能够适应中等转速环境。其结构设计有助于降低摩擦和温升,延长使用寿命。用户需根据实际负荷、转速及安装条件合理选型,并确保适当的润滑和维护,以保持性能稳定。
7
4
0
6
A
W
7:角接触球轴承
4:尺寸系列:重窄 04 系列
06:内径:30 mm
A:接触角 30°
W:冲压钢板保持架
7:
角接触球轴承
4:
尺寸系列:重窄 04 系列
06:
内径:30 mm
A:
接触角 30°
W:
冲压钢板保持架
公称型号(按保持器区分) | ||
冲压钢 | 7406AW | |
尼龙 | 7406ATN | |
车削铜 | 7406AM | |
主要尺寸(mm) | ||
内径 | d | 30 |
外径 | D | 90 |
厚度 | B | 23 |
r(min) | 1.5 | |
r1(min) | 1 | |
接触角 | ||
α(度) | 30° | |
额定载荷(KN) | ||
动载荷 | Cr(单列) | 47.6 |
基本额定静载荷 | Cor(单列) | 28.4 |
系数 | ||
f0 | — | |
限制速度(rpm) | ||
脂润滑 | 7300 | |
油润滑 | 9700 | |
载荷中心(mm) | ||
a(单列) | 29.3 | |
安装尺寸(mm) | ||
da(min) | 38.5 | |
Da(max) | 81.5 | |
ra(max) | 1 | |
db(min) | ||
Db(max) | ||
rb(max) | ||
重量(kg) | ||
单列 | 0.686 |

商品 | 品牌 | 主要尺寸 | 发货仓 | 产地 | 库存 | 含税单价 | VIP价 | 操作 |