产品分类

7340BW轴承
类型:【角接触球轴承 - 角接触球轴承】
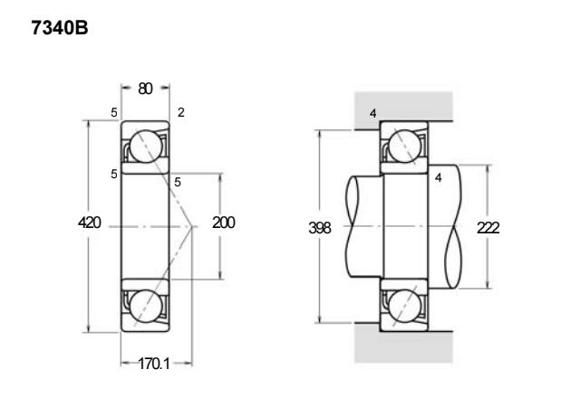
基本尺寸:内径:200 mm,外径:420 mm,厚度:80 mm。
价格区间:¥0 - ¥0【详情】
后缀列表:【B:接触角 40°】【W:钢板冲压冠形保持架】
7340BW型角接触球轴承内径为200毫米,外径为420毫米,厚度为80毫米,属于中大型轴承规格。该型号轴承设计采用单列角接触结构,能够同时承受径向和轴向联合载荷,接触角优化了轴向负荷能力。其套圈和滚动体通常采用铬钢材料,保持架为冲压钢制,代号"BW"表示特定保持架类型和设计特征。
该轴承适用于普通精度等级(如P0、P6或P5级),在工业应用中具有中等转速适应性,常见于重型机械设备、传动系统、中型电机及泵类设备等场景。安装时需注意角接触轴承的配置方式,通常采用成对安装以提升负载稳定性。
使用过程中需保证适当的润滑条件与工作温度范围,避免极端工况影响轴承寿命。该型号轴承在常规工业环境中能够提供可靠的性能表现,实际应用中需结合具体工况条件进行选型评估。
7
3
4
0
B
W
7:角接触球轴承
3:尺寸系列:中窄 03 系列
40:内径:200 mm
B:接触角 40°
W:钢板冲压冠形保持架
7:
角接触球轴承
3:
尺寸系列:中窄 03 系列
40:
内径:200 mm
B:
接触角 40°
W:
钢板冲压冠形保持架
公称型号(按保持器区分) | ||
冲压钢 | 7340BW | |
尼龙 | 7340BTN | |
车削铜 | 7340BM | |
主要尺寸(mm) | ||
内径 | d | 200 |
外径 | D | 420 |
厚度 | B | 80 |
r(min) | 5 | |
r1(min) | 2 | |
接触角 | ||
α(度) | 40° | |
额定载荷(KN) | ||
动载荷 | Cr(单列) | 430 |
基本额定静载荷 | Cor(单列) | 600 |
系数 | ||
f0 | — | |
限制速度(rpm) | ||
脂润滑 | 1200 | |
油润滑 | 1600 | |
载荷中心(mm) | ||
a(单列) | 170.1 | |
安装尺寸(mm) | ||
da(min) | 222 | |
Da(max) | 398 | |
ra(max) | 4 | |
db(min) | — | |
Db(max) | 410 | |
rb(max) | 2 | |
重量(kg) | ||
单列 | 55.3 |

商品 | 品牌 | 主要尺寸 | 发货仓 | 产地 | 库存 | 含税单价 | VIP价 | 操作 |