产品分类

7328AW轴承
类型:【角接触球轴承 - 角接触球轴承】
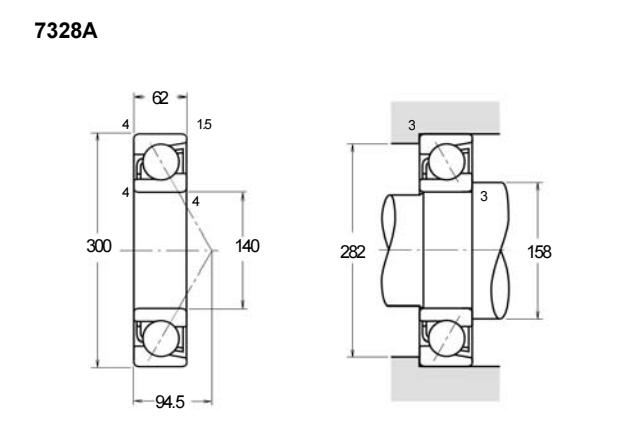
基本尺寸:内径:140 mm,外径:300 mm,厚度:62 mm。
价格区间:¥6518.57 - ¥8213.4【详情】
后缀列表:【A:接触角 30°】【W:钢板冲压冠形保持架】
7328AW型轴承属于角接触球轴承系列,采用单列设计,接触角通常为30°或40°,能够同时承受径向和轴向载荷,适用于中等转速及较高刚性的工况。其内径为140毫米,外径300毫米,厚度62毫米,尺寸规格符合通用标准,便于安装和维护。
该轴承结构上通常采用酚醛树脂保持架,材质轻且耐磨,有助于减少摩擦和温升。润滑方式可选择油脂或油润滑,具体需结合实际应用条件。常见于工业传动、机床主轴、电机或泵类设备中,尤其适合需要双向轴向负荷支持的场合。
精度等级涵盖普通级(如P0、P6或P5),用户可根据运行精度要求选择匹配等级。使用中需注意配合公差及预紧调整,以避免过早失效。安装时应保持环境清洁,防止污染影响寿命。实际性能受工况、润滑及维护条件影响,建议参考具体技术手册进行选型与应用。
7
3
2
8
A
W
7:角接触球轴承
3:尺寸系列:中窄 03 系列
28:内径:140 mm
A:接触角 30°
W:钢板冲压冠形保持架
7:
角接触球轴承
3:
尺寸系列:中窄 03 系列
28:
内径:140 mm
A:
接触角 30°
W:
钢板冲压冠形保持架
公称型号(按保持器区分) | ||
冲压钢 | 7328AW | |
尼龙 | 7328ATN | |
车削铜 | 7328AM | |
主要尺寸(mm) | ||
内径 | d | 140 |
外径 | D | 300 |
厚度 | B | 62 |
r(min) | 4 | |
r1(min) | 1.5 | |
接触角 | ||
α(度) | 30° | |
额定载荷(KN) | ||
动载荷 | Cr(单列) | 300 |
基本额定静载荷 | Cor(单列) | 335 |
系数 | ||
f0 | — | |
限制速度(rpm) | ||
脂润滑 | 2000 | |
油润滑 | 2600 | |
载荷中心(mm) | ||
a(单列) | 94.5 | |
安装尺寸(mm) | ||
da(min) | 158 | |
Da(max) | 282 | |
ra(max) | 3 | |
db(min) | — | |
Db(max) | 291 | |
rb(max) | 1.5 | |
重量(kg) | ||
单列 | 21.4 |

商品 | 品牌 | 主要尺寸 | 发货仓 | 产地 | 库存 | 含税单价 | VIP价 | 操作 |
KOYO 7328轴承 角接触球轴承 |
KOYO | 140 X 300 X 62 | 华东 | 日本 | 2 | 8213.4 | ¥6518.57 | |